beat365

±ê×¼¹âÄ £¿é

1.25G 2X5 SFF Transceiver Module

1.25G 2X5 SFF Transceiver Module

0.0/5 rating (0 votes)

Description

1.25G 2X5 SFF Transceiver Module

Product Description
F-tone Networks’s FTAF-xx12-xxxx series of transceiver modules are the perfect solution for high -speed communication networks.These transceiver modules support data rates up to 1.5Gbps. The module is fully compliant with the 2X5 standard package defined by the Small Form Factor Multi-Sourcing Agreement(MSA).These transceiver modules provide the system designer withTelecom, Datacom, and other Fibre Channel applications.

Product Features
¡ñ VCSEL/FP/DFB Laser Diode Transmitter
¡ñ Up to 0.55Km on 62.5/125μm MMF  £¬Up to 100Km on 9/125μm SMF
¡ñ 3.3Vpower supply
¡ñ LC duplex optical interface
¡ñ LVPECL or CML Differential Input  £¬CML Output and LVTTL signal detect
¡ñ Class 1 Laser International Safety Standard IEC 825 Compliant
¡ñ Operating case temperature range (Standard£º0 to+70¡æ) or (Industrial£º -40¡æ to +85¡æ)

Application
¡ñ Fiber Channel Switch Infrastructure
¡ñ Gigabit Ethernet Switches and Routers
¡ñ Other optic links

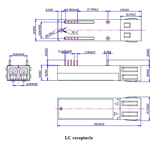
Module Outline DrawingA29
Order Information

Type

Fiber Type

Wavelength(nm)

Fiber Length(Km)

FTAF-8512-02xx

MM

850(VESEL)

0.5

FTAF-M1312-02xx

MM

1310(FP)

0.55

FTAF-1312-20xx

SM

1310(FP)

20

FTAF-1312-40xx

SM

1310(DFB)

40

FTAF-1312-60xx

SM

1310(DFB)

60

FTAF-1512-20xx

SM

1550(DFB)

20

FTAF-1512-40xx

SM

1550(DFB)

40

FTAF-1512-60xx

SM

1550(DFB)

60

FTAF-1512-80xx

SM

1550(DFB)

80

FTAF-1512-H0xx

SM

1550(DFB)

100

 

 

 

 

 

 

×¢£º±¾²úÆ·ÓÐÌìϲú»¯ÐͺſÉÑ¡

±¾²úƷΪFTAFϵÁÐ £¬½öչʾ²¿·Ö²ÎÊý £¬ÈôÓÐÐèÒª £¬ÇëÁªÏµbeat365¡£

Important Notice

Performance figures, data and any illustrative material provided in this data sheet are typical and must be specifically confirmed in writing by F-tone Networks before they become applicable to any particular order or contract. In accordance with the F-tone Networks policy of continuous improvement specifications may change without notice.

The publication of information in this data sheet does not imply freedom from patent or other protective rights of F-tone Networks or others. Further details are available from any F-tone Networks sales representative.

Ììϲú»¯¹âÄ £¿é CFP2¹âÄ £¿é JYSK¹âÏËÅþÁ¬Æ÷ ˼¿Æ¹âÄ £¿é Marconi¹âÄ £¿é Test Equipment & Others ¹âÏË·¨À¼ÊÊÅäÆ÷
SFPÌìϲú¹âÄ £¿é CFP4¹âÄ £¿é J599IIIµçÅþÁ¬Æ÷ ˼¿ÆFE SFP ²©´ï¹âÄ £¿é ±£Æ«¹âÆ÷¼þ ¹âÏËÌøÏß&βÏË
1x9Ììϲú¹âÄ £¿é CFP8 400Gbps S6¾ØÐÎÅþÁ¬Æ÷ ˼¿ÆSFP+¹âÄ £¿é Íø¼þ¹âÄ £¿é In-line Depolarizer FTTAÀ­Ô¶»ùÕ¾¹âÏËÌøÏß
ÌØÖÖ¹âÄ £¿é CDFP 400Gbps S7¾ØÐÎÅþÁ¬Æ÷ ˼¿ÆXFP¹âÄ £¿é Nortel¹âÄ £¿é In-line Polarizer MPO/MTP¸ßÃܶÈϵÁÐ
25G~400G¸ßËÙ¹âÄ £¿é MicroQSFP¹âÄ £¿é GYM¹âÏËÅþÁ¬Æ÷ ˼¿ÆCFP¹âÄ £¿é Moxa¹âÄ £¿é IPBC/S ¾üÓÃÒ°Õ½·ÀË®¹âÏËÌøÏß
200km³¬³¤¾à¹âÄ £¿é DSFP¹âÄ £¿é J599III¹âÏËÅþÁ¬Æ÷ ˼¿ÆQSFP-DD ¹âÄ £¿é º £¿µÍþÊÓHIKVISION¹âÄ £¿é PBC/S ÌØÖÖ¹âÏ˹âÀÂ
5GÒÆ¶¯Í¨Ñ¶¹âÄ £¿é FT-61¹âÄ £¿é Ë®ÃܹâÀÂÅþÁ¬Æ÷ ˼¿ÆQSFP+¹âÄ £¿é McAfee¹âÄ £¿é PM BPF ÌØÖÖÏßÀÂ×é¼þ
SFP¹âÄ £¿é OLT¹âÄ £¿é ¹âÏËÅþÁ¬Æ÷ת½ÓÆ÷ ˼¿ÆGE SFP SMCÖǰî¹âÄ £¿é PM Circulator ͨÓùâÀ¹âÏËÌøÏß
1.25G SFP ONU¹âÄ £¿é FT-A4ϵÁÐÅþÁ¬Æ÷ ˼¿ÆSFP OC3 °²»ª¸ßAvago¹âÄ £¿é PM Collimator MXC? ¶àо¹âÀÂ×é¼þ
CWDM SFP PLCC¹âÄ £¿é USB¹âÏËÑÓÉìÏß Ë¼¿ÆSFP OC12 °²»ª¸ßAvago 1x9¹âÄ £¿é PM Coupler PRIZM? LIGHTTURN?×é¼þ
DWDM SFP RJ¹âÄ £¿é HDMI ˼¿ÆSFP OC48 °²»ª¸ßAvago SFF¹âÄ £¿é PM CWDM ¹âÏË»úÏä
BIDI-SFP SFF¹âÄ £¿é ÌØÖÖµçÅþÁ¬Æ÷ ˼¿ÆGBIC¹âÄ £¿é °²»ª¸ßAvago SFP¹âÄ £¿é PM DWDM SMA-ÌØÊâÏËоϵÁÐ
SGMII SFP SNAP12¹âÄ £¿é Ô²ÐÎÅþÁ¬Æ÷ ˼¿ÆX2¹âÄ £¿é °²»ª¸ßAvago QSFP28 ¹âÄ £¿é PM Faraday mirror ÌØÊâÌÖÂÛϵÁÐ
Video SFP¹âÄ £¿é USOT¹âÄ £¿é ¾ØÐεçÅþÁ¬Æ÷ ˼¿ÆXENPAK¹âÄ £¿é °²»ª¸ßAvago QSFP+¹âÄ £¿é PM Fiber mirror îø×°ÏµÁÐ
Copper SFP X2¹âÄ £¿é ÌØÖÖ¹âÏ˹âÀ »ªÈý¹âÄ £¿é °²»ª¸ßAvago SNAP12¹âÄ £¿é PM Filter Coupler ¹âñîºÏÆ÷Coupler
µÍ¹¦ºÄSFP Xenpak¹âÄ £¿é ÌØÖÖ¹âÏË »ªÈýSFP °²»ª¸ßAvago ÆäËû¹âÄ £¿é PM Fused Coupler ƤÏËÌøÏßϵÁÐ
SFP+¹âÄ £¿é ¹âµç±àÂëÆ÷Ä £¿é ¹âÏËÆ÷¼þ »ªÈýSFP+ °²»ª¸ß Embedded¹âÄ £¿é PM FWDM ´óоÊýϵÁÐ
CWDM SFP+ ¹âÄ £¿é²âÊÔ°å ÌØÖÖ¹âÀ¼°¹âÀÂ×é¼þ »ªÈýSFP28 ¹âÄ £¿é °²»ª¸ßFiber Optics¹âÄ £¿é PM Isolator »ØÂ·ÌøÏßϵÁÐ
DWDM SFP+ ¹âÄ £¿éÁý×Ó×ù×Ó ¹âź »ªÈýQSFP+¹âÄ £¿é Industrial Transmitters and Receivers PM Isolator WDM ±£Æ«¹âÏËϵÁÐ
BIDI SFP+ DAC ¸ßËÙÏßÀ ±ê×¼¹âñî »ªÈýQSFP28 ¹âÄ £¿é Optical Transceivers PM PLC ¹âͨѶ×é¼þ
Tunable SFP+ ¹âÏË»¬»·|¹âµç»¬»· SMA²âÊÔÏßÀ »ªÈý CFP¹âÄ £¿é ·Éͨ¹âÄ £¿é PM Tap Isolator ¹â¸ôÀëÆ÷isolator
16GFC SFP+ ¹âÀ³µ OSA »ªÈý CXP¹âÄ £¿é Finisar¹âÄ £¿é PM Tap Isolator WDM ÆäËü¹âÆ÷¼þ
25GE SFP+ ¾üÆ·¼¶DIN¹âÄ £¿é PON BOSA »ªÈý CX4¸ßËÙµçÀ ·ÆÄáÈøFinisar SFF¹âÄ £¿é PM VOA ¿Éµ÷Â˲¨Æ÷
32GFC SFP+ ËÜÁϹâÏËÄ £¿é Pigtailed PD »ªÈýXFP yellobrik SDI¹âÄ £¿é ÆäËü±£Æ«Æ÷¼þ ¿Éµ÷Ë¥¼õÆ÷
SFP28¹âÄ £¿é Ìæ»»°²»ª¸ß¹¤ÒµµçÁ¦¹âÄ £¿é RFoG BOSA »ªÈýGE SFP ÂÞ¿ËΤ¶ûAB¹âÄ £¿é ¹â·Ö·Æ÷ À­×¶ñîºÏÆ÷
SFP56¹âÄ £¿é ¼æÈݹú²ú»¯Ìæ»»°²»ª¸ß¹âñî TO-CAN »ªÈýFE SFP Â޽ܿµ¹âÄ £¿é FBTÀ­×¶·Ö·Æ÷ ÎÞÔ´¹âÆ÷¼þ
SFP-DD¹âÄ £¿é É䯵¹âÄ £¿é ¹âÏËζȴ«¸ÐÆ÷ »ªÈýSFP STM-4 ÑлªAdvantech¹âÄ £¿é PLC ¹â·Ö·Æ÷ ·¨À­µÚÐýת¾µ
QSFP¹âÄ £¿é ΢ÐͶà·¹âÄ £¿é ¹âÏËÓ¦±ä´«¸ÐÆ÷ »ªÈýSFP STM-16 Ììϲú»¯¹âÆ÷¼þ PLCÆ½Ãæ²¨µ¼¹â·Ö·Æ÷ ²¨·Ö¸´ÓÃÆ÷
QSFP+ ¹âÄ £¿é ÌØÖÖ¹âÄ £¿é ¹âÏ˼ÓËÙÂÊ´«¸ÐÆ÷ »ªÈýGBIC¹âÄ £¿é FT-XSϵÁР¹ú²ú»¯°ëµ¼Ìå¹â·Å´óÆ÷ ¹â¿ª¹Ø AWG DWDM²¨·Ö¸´ÓÃÆ÷
QSFP28¹âÄ £¿é HPC²¢ÐйâÄ £¿é ¹âÏßѹÁ¦´«¸ÐÆ÷ »ªÈýBIDI¹âÄ £¿é ¹âÏËÕóÁÐϵÁР̽²âÆ÷ Fused WDM²¨·Ö¸´ÓÃÆ÷
QSFP56¹âÄ £¿é LC-RJ³¬Ð¡Ð͵¥Â·¹âÄ £¿é ¹âÏËÎ»ÒÆ´«¸ÐÆ÷ »ªÈýXENPAK¹âÄ £¿é ¸ßËÙÄ £¿é΢ÅþÁ¬ ¹â¹¦ÂÊ¼Æ FWDM²¨·Ö¸´ÓÃÆ÷
QSFP112 400G¹âÄ £¿é LCC48¹âÄ £¿é ¹âÏËÓ¦Á¦´«¸ÐÆ÷ »ªÈýEPON OLT SFP Ïà¹ØÍ¨Ñ¶¹âÅþÁ¬ È«¹âÏËÏàλÀ­ÉìÆ÷ Mini΢ÐÍ´Ö²¨·Ö¸´ÓÃÆ÷
QSFP224¹âÄ £¿é LC³¬¶ÌÐ͹âÄ £¿é ¹âÏË´«¸ÐÆÊÎöÒÇ Öк½¹âµç¹âÄ £¿é ¹è¹â×ÓÆ÷¼þ¹âÁ´½Ó ¹âÏË×¼Ö±Æ÷ ¹â·Ö²å¸´ÓÃÆ÷
QSFP-DD¹âÄ £¿é SNAP12¹âÄ £¿é ¹âÏËÂþÑÜʽ²âÎÂÖ÷»ú ÖÐÐ˹âÄ £¿é Bio-Medical Equipment ¹âË¥¼õÆ÷ϵÁÐ ÆäËüÖÖÀನ·Ö¸´ÓÃÆ÷²úƷϵÁÐ
QSFP-DD800¹âÄ £¿é ΢Ð͹âÄ £¿é ¹âÏ˲¼ÀïÔ¨ÐźŽâµ÷ÒÇ Èñ½Ý¹âÄ £¿é Components for Fiber Laser ¹âÆ«Õñ¿ØÖÆÆ÷ ÷缯²¨·Ö¸´ÓÃÆ÷
OSFP 400Gbps ΢ÐͿɲå°ÎBGA¹âÄ £¿é ÂþÑÜʽ¹âÏËÉùÕñÐźŽâµ÷ÒÇ »ÝÆÕ¹âÄ £¿é Components for Fiber sensing ¹âÔ´ ´Ö²¨·Ö¸´ÓÃÆ÷
OSFP 800G¹âÄ £¿é ±íÌùʽµ¥Â·¹âÄ £¿é Camera Link ÉñÖÝÊýÂë¹âÄ £¿é Components for Optical Network ¹â»·ÐÐÆ÷Circulator WDMÄ £¿é
OSFP 1.6T¹âÄ £¿é ÌØÖÖ¹âÏËÅþÁ¬Æ÷ ¹âÄ £¿é֪ʶ Juniper¹âÄ £¿é EDFA¹âÏË·Å´óÆ÷ ¹âÏËÑÓ³ÙÏß Â˲¨Æ÷
HSFP 1.6T~12.8T¹âÄ £¿é J599¹âÏ˲åÍ·²å×ù »ªÎª¹âÄ £¿é Extreme¹âÄ £¿é ¹âÏË´«¸ÐÆ÷ ɫɢÅâ³¥Ä £¿é µûÐμ¤¹âÆ÷
XFP¹âÄ £¿é ODC¹âÏËÅþÁ¬Æ÷ϵÁÐ »ªÎªGE SFP Brocade¹âÄ £¿é High power Component ¹âÏË·Å´óÆ÷ ¹âñîºÏÆ÷&·Ö·Æ÷
CWDM XFP ÆäËûÌØÖÖ¹âÏËÅþÁ¬Æ÷ »ªÎªQSFP+¹âÄ £¿é D-Link¹âÄ £¿é HP In-line Polarizer ÎÞÔ´´«Êäת»»Æ÷ ¹âÏË»·ÐÎÆ÷&·¨À­µÚÐýת¾µ
DWDM XFP Ò°Õ½¹âÏËÅþÁ¬Æ÷ »ªÎªSFP+ ºÕ˼Âü¹âÄ £¿é HP Isolator ¹âÏ˼¤¹âÆ÷ ¹âÏ˸ôÀëÆ÷&²¨·Ö¸´ÓÃÆ÷
BIDI XFP ÌØÖÖ¹âµçÅþÁ¬Æ÷ »ªÎªQSFP28 °¢¶û¿¨ÌØÀÊѶ¹âÄ £¿é HP PBC/S ¹âµ÷ÖÆÆ÷ ¹âÏË·ÖÊøÆ÷&ºÏÊøÆ÷£¨PBS/PBC£©
1x9¹âÄ £¿é J599IIIÆéá«Æµ»ì×°ÅþÁ¬Æ÷ »ªÎªFE SFP Allied Telesis¹âÄ £¿é Pump Combiner ¹âµç̽²âÆ÷ ¹âÏ˹âÕ¤
CSFP¹âÄ £¿é NGC¹âÏËÅþÁ¬Æ÷ »ªÎªXFP Foundry¹âÄ £¿é HP Circulator ¹âÏËÆ«Õñ ¸ßËÙÏßÀÂ
CSFP+10G¹âÄ £¿é J599A6¹âÏËÅþÁ¬Æ÷ »ªÎªSFP OC12 Force10¹âÄ £¿é Pump laser protector ¹âÏËÂ˲¨Æ÷
CXP¹âÄ £¿é GYMB¹âÏËÅþÁ¬Æ÷ »ªÎªGBIC¹âÄ £¿é Blade¹âÄ £¿é Hybrid for EDFA ͬÖἤ¹âÆ÷
CFP¹âÄ £¿é J599III¹âµçÅþÁ¬Æ÷ »ªÎªSFP STM16 Linksys¹âÄ £¿é Test Equipment & Others ͬÖáµçÀÂ

028-85255257 | sales@f-tone.com

±ê׼ЭÒé¹âÄ £¿é²úÆ·

¼æÈÝЭÒé¹âÄ £¿é

ÆäËüÖÖÀà¹âÆ÷¼þ

ÊÖÒÕÖ§³Ö

¡¾ÍøÕ¾µØÍ¼¡¿¡¾sitemap¡¿