
125~1250Mbps 1X10 MiniSFF Transceiver
FEATURES
¡ñ Surface mount I/O pins for high speed signal integrity
¡ñ All metal body, screw mounting
¡ñ Industrial Temp Range, Vibration tolerant design
¡ñ 850nm VCSEL Transmitter
¡ñ 300 m links with 62.5/125 mm MMF Cables
¡ñ 500 m links with 50/125 mm MMF Cables
¡ñ Single 3.3V Power Supply
¡ñ SFF-8472 Digital Diagnostic Function
¡ñ 2-Fiber MiniSFF LC Transceiver
¡ñ Operating Temperature
Standard : 0¡æ~+70¡æ (FTMF-8512-02D)
Industrial: -40¡æ~+85¡æ (FTMF-8512-02DI)
APPLICATIONS
¡ñ SONET/SDH Equipment Interconnect
¡ñ Fiber Channel Links
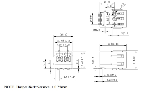
Outline Specification
Ordering Information
|
P/No. |
Package |
Bit Rate(Mb/s) |
Dist.(m) |
Wavelength(nm) |
Volt.(V) |
TX Power(dBm) |
RX Sens(dBm) |
Temp.(¡æ) |
|
FTMF-8512-02D |
LC |
125~1250 |
500 |
850 |
3.3 |
-9.5~-3 |
-18 |
0~70 |
|
FTMF-8512-02DI |
LC |
125~1250 |
500 |
850 |
3.3 |
-9.5~-3 |
-18 |
-40~85 |
×¢£º±¾²úÆ·ÓÐÌìϲú»¯ÐͺſÉÑ¡
±¾²úƷΪFTMFϵÁУ¬½öչʾ²¿·Ö²ÎÊý£¬ÈôÓÐÐèÒª£¬ÇëÁªÏµbeat365¡£
Important Notice
Performance figures, data and any illustrative material provided in this data sheet are typical and must be specifically confirmed in writing by F-tone Networks before they become applicable to any particular order or contract. In accordance with the F-tone Networks policy of continuous improvement specifications may change without notice.
The publication of information in this data sheet does not imply freedom from patent or other protective rights of F-tone Networks or others. Further details are available from any F-tone Networks sales representative.