
Semiconductor Optical Amplifier Devices
Product information
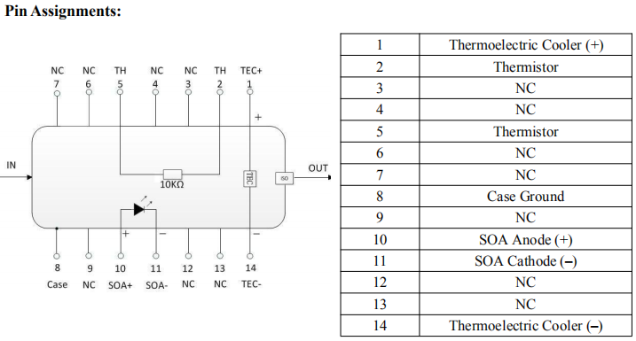
Part Number£ºFT-45-SOAD
Product Description: The Semiconductor Optical Amplifier Devices at 1310nm are designed by using a high quality angled SOA chip and a TEC which can assure a stable amplified output for a large dynamic input signal. The devices are available in a standard, 14-pin butterfly package at the 1310nm bands. The SOA devices have high optical gain, high saturation output power, low polarization dependent loss, low noise figure and broad wavelength range. Polarization type:Polarization insensitive,Fiber type:PM fiber, Pigtail type:900um loose tube,Input and output fiber length:100cm,With FC/APC connector.The products are Telcordia GR-468 qualified, and in compliance with RoHS requirement.
|
Applications:
|
ÊÂÇéζȣ¨¶àÖÖζȼ¶±ð¿ÉÑ¡£©: |


Important Notice
Performance figures, data and any illustrative material provided in this data sheet are typical and must be specifically confirmed in writing by F-tone Networks before they become applicable to any particular order or contract. In accordance with the F-tone Networks policy of continuous improvement specifications may change without notice.
The publication of information in this data sheet does not imply freedom from patent or other protective rights of F-tone Networks or others. Further details are available from any F-tone Networks sales representative.