
1550nm SOA°ëµ¼Ìå¹â·Å´óоƬCOC
beat3651550nm²¨³¤µÄ°ëµ¼Ìå¹â·Å´óÆ÷£¨SOA£©COCÊÇÒ»¿î¸ßÔöÒæ¡¢¸ß¹¦ÂÊ¡¢µÍÆ«ÕñÏûºÄ¡¢¸ßÏû¹â±ÈµÄоƬCOC¡£¸ÃCOCÈ«¹¤ÒÕ¹ú²ú£¬½»ÆÚ¶Ì¹©»õ¿ì£¬ÓëÍâÑóÖ÷Á÷SOAоƬ¼æÈÝ£¬²¢¿ÉÖª×ã¿Í»§¿ìËÙ¶©ÖÆÐèÇó¡£Ö÷ÒªÓ¦ÓÃÓÚ¹âÏË´«¸Ð¡¢¼¤¹âÀ×´ï¡¢¹âÏËͨѶµÈ²úÆ·ÖС£
²úÆ·ÌØµã£º
¡ñ оƬ COC È«¹¤ÒÕ¹ú²ú£¬×ÔÖ÷¿É¿Ø
¡ñ ¸ßÏû¹â±È¡¢¸ßÔöÒæ¡¢¸ßÊä³ö¹â¹¦ÂÊ£¬µÍÆ«ÕñÏûºÄ¡£
¡ñ ÐԼ۱ȸߣ¬½»ÆÚ¶Ì£¬¹©»õ¿ì£¬ÐèÇó¶©ÖÆ£¬¿ìËÙµü´ú
²úÆ·Ó¦Óãº
¡ñ ¹âÏË´«¸ÐϵͳÖУ¬Ìæ»»Éù¹âµ÷ÖÆÆ÷£¬ÊµÏֹ⿪¹Ø¹¦Ð§
¡ñ ¹è¹â×Ó¼¯³ÉÆ÷¼þÖУ¬ÓÃÓÚÅâ³¥¹â¹â·ÏûºÄ
¡ñ ¼¤¹âÀ×´ïÖУ¬ÓÃÓÚ±¬·¢¸ß¹¦Âʼ¤¹âÂö³å
¡ñ ¹âͨѶϵͳÖУ¬ÓÃÓÚÌæ»» EDFA£¬ÊµÏÖ 1550nm µÄ¹â·Å´ó
²úÆ·¹æ¸ñ
µä·¶ÌØÕ÷
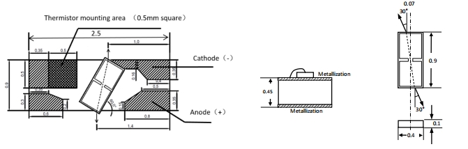
½á¹¹³ß´çºÍ¹Ü½Å½ç˵
¶©»õÐÅÏ¢

±¾²úƷΪFT-XSϵÁУ¬½öչʾ²¿·Ö²ÎÊý£¬ÈôÓÐÐèÒª£¬ÇëÁªÏµbeat365¡£
Important Notice
Performance figures, data and any illustrative material provided in this data sheet are typical and must be specifically confirmed in writing by F-tone Networks before they become applicable to any particular order or contract. In accordance with the F-tone Networks policy of continuous improvement specifications may change without notice.
The publication of information in this data sheet does not imply freedom from patent or other protective rights of F-tone Networks or others. Further details are available from any F-tone Networks sales representative.