
155Mbps 2×5 SFF BIDI Transceiver Module
Product Description
F-tone’s FTAF-B1X03-XX series of transceiver modules are the perfect solution for high-speed communication networks. FTAF-B1X03-XX series modules provide reliability, robust and high performance to Telecom, Datacom, and other data communication applications.
F-tone’s FTAF-B1X03-XX Small Form Factor (SFF) transceivers comply with the 2×5 standard package defined by the Small Form Factor Multi-Sourcing Agreement (MSA). They also comply with SONET OC-3 SR-1/IR-1 (SDH STM I-1/S-1.1) standards2.
The family provides a uniform form factor for a wide variety of standard connections to transmission media. The converters can be inserted or removed from a host chassis without removing power from the host system.
F-tone’s FTAF-B1X03-XX SFF module has been designed to provide good immunity to RF electromagnetic fields and excellent EMC/EMI performance.
Product Features
¡ñ 1310nm or 1550nm wavelength Laser Transmitter
¡ñ 20 Km with 9/125µm SM
¡ñ Single 3.3V power supply
¡ñ Standard 2×5 pin footprint (MSA Compliant)
¡ñ Operating Temperature Range
¡ñ Single SC connector
¡ñ LVPECL compatible data input/output interface
¡ñ LVTTL receiver signal-detected indication
¡ñ Low power dissipation
¡ñ Excellent EMI and ESD protection
¡ñ Compliant with Small Form Factor (SFF)
¡ñ Transceivers Multi-Sourcing Agreement (MSA)
Application
¡ñ ATM
¡ñ Fiber channel
¡ñ SONET/SDH
¡ñ Fast Ethernet
¡ñ Other optic link
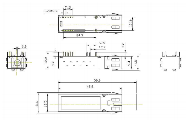
Mechanical Specifications

Ordering information

×¢£º±¾²úÆ·ÓÐÌìϲú»¯ÐͺſÉÑ¡
±¾²úƷΪFTAFϵÁУ¬½öչʾ²¿·Ö²ÎÊý£¬ÈôÓÐÐèÒª£¬ÇëÁªÏµbeat365¡£
Important Notice
Performance figures, data and any illustrative material provided in this data sheet are typical and must be specifically confirmed in writing by F-tone Networks before they become applicable to any particular order or contract. In accordance with the F-tone Networks policy of continuous improvement specifications may change without notice.
The publication of information in this data sheet does not imply freedom from patent or other protective rights of F-tone Networks or others. Further details are available from any F-tone Networks sales representative.