
18GHz High Dynamic DWDM Analog Optical Transceiver
Features
¡ôTransmitter using butterfly optical device with TEC
¡ôSupport ITU C-Band£¬wide range of DWDM wavelengths can be selected
¡ôWide operating frequency from 10MHz to 18GHz
¡ôFlat frequency response£º ≤±1.5dB typical
¡ôHigh RF input P-1dB£º≥27dBm@10GHz
¡ôGood noise figure£º≤48dB@18GHz
¡ôHigh dynamic range£ºSFDR up to 123dB·Hz2/3
¡ôAutomatic optical power control£¨APC£©and auto temperature control£¨ATC£©functions
¡ôExcellent EMI/EMC design£¬ROHs compliant and CE certification
Applications
¡ôAntenna remoting
¡ôSatellite communication
¡ôDelay line
¡ôDistributed antenna system
¡ôWideband wireless communication
¡ôOFDM fiber transmission
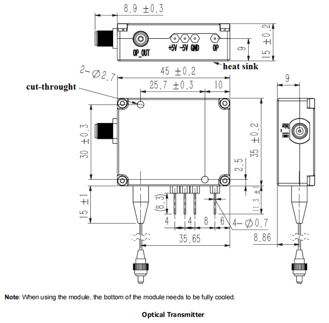
Mechanical (unit: mm)


Ordering Information


×¢£º±¾²úÆ·ÓÐÌìϲú»¯ÐͺſÉÑ¡
Important Notice
Performance figures, data and any illustrative material provided in this data sheet are typical and must be specifically confirmed in writing by F-tone Networks before they become applicable to any particular order or contract. In accordance with the F-tone Networks policy of continuous improvement specifications may change without notice.
The publication of information in this data sheet does not imply freedom from patent or other protective rights of F-tone Networks or others. Further details are available from any F-tone Networks sales representative.