
3Gbps Video Dual Optical SM Receiver
FEATURES
¡ñ All metal body, solder or screw mount options
¡ñ Distance up to 20 km for 3G-SDI
¡ñ Speed from 50 Mbps to 3Gbps
¡ñ Support Video pathological pattern for SD-SDI,HD-SDI,3G-SDI.
¡ñ 1×9 Package with FC connector
¡ñ +3.3 V Power Supply
¡ñ RoHS-6 Compliant
¡ñ Operating case temperature: -40¡æ~+85¡æ
APPLICATIONS
¡ñ Switch to Switch Interface
¡ñ High Speed Interface for File Servers
¡ñ High-density Video Routers
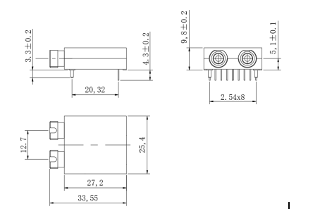
Mechanical Dimensions

Ordering Information
|
P/No. |
Package
|
Bit Rate (Mb/s) |
Dist. (km) |
Wavelength (nm) |
Volt. (V) |
2 RX Sens (dBm) |
Temp. (¡æ) |
|
FTRR-2R3G-20I |
FC |
50~3000 |
20 |
1100~1610 |
3.3 |
-18 |
-40~85 |
×¢£º±¾²úÆ·ÓÐÌìϲú»¯ÐͺſÉÑ¡
±¾²úƷΪ¹âÄ£¿é1x9ϵÁУ¬½öչʾ²¿·Ö²ÎÊý£¬ÈôÓÐÐèÒª£¬ÇëÁªÏµbeat365¡£
Important Notice
Performance figures, data and any illustrative material provided in this data sheet are typical and must be specifically confirmed in writing by F-tone Networks before they become applicable to any particular order or contract. In accordance with the F-tone Networks policy of continuous improvement specifications may change without notice.
The publication of information in this data sheet does not imply freedom from patent or other protective rights of F-tone Networks or others. Further details are available from any F-tone Networks sales representative.