
beat365רҵÑб¬·¢²ú4CH CCWDM,4CH Compact CWDM,4ͨµÀСÐÍ»¯²¨·Ö¸´ÓÃÆ÷,4ͨµÀ½ô´ÕÐͲ¨·Ö¸´ÓÃÆ÷,¹¤Òµ¼¶4CH CCWDM,¹¤Òµ¼¶4CH CCWDM,¹¤Òµ¼¶4CH Compact CWDM,¹¤Òµ¼¶4ͨµÀСÐÍ»¯²¨·Ö¸´ÓÃÆ÷,¹¤Òµ¼¶4ͨµÀ½ô´ÕÐͲ¨·Ö¸´ÓÃÆ÷...µÈµÈȫϵÁÐ4CH CCWDM Compact CWDMСÐÍ»¯/½ô´ÕÐͲ¨·Ö¸´ÓÃÆ÷¡£ÊÇÒ»¸öרҵµÄ4CH CCWDM³§¼Ò£¬ÓкܺõÄ4CH CCWDM¼ÛÇ®¡£
|
Features: |

Parameters£º
|
Description |
Unit |
Min |
Typical |
Max. |
||
|
Optional channel loss |
dB |
0.8 |
1.0 |
|||
|
Pass band width |
nm |
13 |
||||
|
Flatness |
dB |
0.2 |
0.3 |
|||
|
Adjacent channel isolation |
dB |
30 |
35 |
|||
|
Non adjacent channel isolation |
dB |
35 |
40 |
|||
|
Directivity |
dB |
50 |
||||
|
PDL |
dB |
0.2 |
||||
|
PMD |
ps |
0.2 |
||||
|
Max. power |
mw |
300 |
||||
|
Pass channel insertion loss |
P |
dB |
0.8 |
1.0 |
||
|
A |
1.0 |
1.5 |
||||
|
Channel wavelength |
nm |
1471 1491 1511 1531 1551 1571 1591 1611 Can be selected on request or any 4channel between 1260-1625 |
||||
|
Operating temperature |
¡ãC |
-10 ~+70 |
||||
|
Storage temperature |
¡ãC |
-40 ~+85 |
||||
|
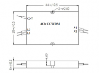
Package |
mm |
44(L)X28(W)X6(H) |
||||
Paging Dimensions :

Order Information:
|
CCWDM4- |
XXXX- |
X- |
X- |
XX- |
X- |
X |
|
Wavelength |
Grade |
Pigtail Type |
Length |
connector |
package |
|
|
1471 1491 1611 |
P A |
0=bare fiber 1=900um loose tube 2=2mm cable 3=3mm cable |
05=0.5m 10=1.0m 15=1.5m |
0=none 1=FC/PC 2=FC/APC 3=SC/PC 4=SC/APC 5=LC 6=Others |
0=Standard 1=Special |