
¼æÈݰ²»ª¸ßACPL-314
²úÆ·ÐÎò
FCPL-314ÊÇÒ»¿îÃż¶Çý¶¯Ð͹âñîоƬ£¬×î´ó·åÖµÊä³öµçÁ÷¿É´ï2.5A£¬×î´ó¿ÉÇý¶¯1200V/100AµÄIGBT »òÕßMOSFET£¬Ó¦ÓÃÓÚµç»ú¿ØÖƺ͹¤ÒµÄæ±äµÈÁìÓò¡£
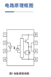
FCPL-314ÓɸßÏìÓ¦¶È¹âµç¶þ¼«¹Ü£¬¸ßÔöÒæ²î·Ö¿ç×è·Å´óÆ÷ºÍ¹ìµ½¹ì¹¦ÂÊÊä³ö¼¶×é³É¡£ÄÚÖõĸßÏìÓ¦¶È¹âµç¶þ¼«¹ÜºÍ¸ßÔöÒæ²î·Ö¿ç×è·Å?Æ÷£¬Ê¹Ð¾Æ¬¾ßÓнϵ͵ĿªÆôµçÁ÷£¬Í¬Ê±Äܹ»Ìá¸ßоƬµÄ¹²Ä£ÔëÉùÒÖÖÆÄÜÁ¦¡£ÄÚÖõĹ쵽¹ì¹¦ÂÊÊä³ö¼¶£¬¿ÉʵÏֽϸߵķåÖµÊä³öµçÁ÷£¬ÓÐÌÕ´É/ËÜ·â¿ÉÑ¡£¬ÓÐÉÌÒµ¼¶/¹¤Òµ¼¶/¾üÆ·¼¶¿ÉÑ¡¡£
²úÆ·ÌØµã
¡ñ ¿íµçѹ¹æÄ££º+10V~+30V
¡ñ 2.5A·åÖµÊä³öµçÁ÷
¡ñ ×î´ó200nsµÄ¿ª¹ØËÙÂÊ
¡ñ ¹ìµ½¹ìÊä³ö½á¹¹
¡ñ ´ø³ÙÖ͵ÄǷѹ±£»¤
¡ñ ¼æÈÝÍâÑó²úÆ·£ºACPL-314
²úÆ·Ó¦ÓÃ
¡ñ ¸ôÀëÏßÎüÊÕÆ÷
¡ñ ¹²µØ×ÌÈŵĸôÀë
¡ñ ¿ª¹ØµçÔ´
¡ñ µç»úÇý¶¯ÖеŦÂʹܸôÀë
¡ñ Ìæ»»Âö³å±äѹÆ÷
¡ñ ÒÇÆ÷ÊäÈëÊä³ö¸ôÀë
¡ñ Äæ±äÆ÷¸ôÀë
¡ñ IGBTÇý¶¯¸ôÀë




×¢£º±¾²úƷΪÌìϲú
Important Notice
Performance figures, data and any illustrative material provided in this data sheet are typical and must be specifically confirmed in writing by F-tone Networks before they become applicable to any particular order or contract. In accordance with the F-tone Networks policy of continuous improvement specifications may change without notice.
The publication of information in this data sheet does not imply freedom from patent or other protective rights of F-tone Networks or others. Further details are available from any F-tone Networks sales representative.