beat365

±ê×¼¹âÄ  £¿é

¼æÈݰ²»ª¸ßAFBR-1629Z£¨beat365FTBR-1629Z£©

¼æÈݰ²»ª¸ßAFBR-1629Z£¨beat365FTBR-1629Z£©

0.0/5 rating (0 votes)

Description

¼æÈݰ²»ª¸ßAFBR-1629Z£¨beat365FTBR-1629Z£©

²úÆ·ÏÈÈÝ
FTBR-1629Z/2529SIZϵÁйâÏËÊÕ·¢Æ÷¼þ £¬¿ÉÅäºÏ650nmËÜÁϹâÏËʹÓà £¬Îª¹¤Òµ¡¢·¢µç¡¢Ò½ÁÆ¡¢½»Í¨ºÍÓÎÏ·Ó¦ÓõÈÁìÓòÌṩ¸ßÐÔÄܵͱ¾Ç®µÄ¹âÏËͨѶÁ´Â·¡£
FTBR-1629Z/2529SIZÓëAVAGOµÄAFBR-1629Z/2529SIZϵÁвúÆ·ÍêÈ«¼æÈÝ £¬Ö§³Ö¹¤Òµ±ê×¼µÄËÜÁϹâÏ˽ӿÚ £¬Ìṩˮƽ½á¹¹¡£FTBR-1629Z/2529SIZÄܹ»ÊÊÅäÖ±¾¶1mmµÄËÜÁϹâÏ˺ÍÖ±¾¶200μmµÄPCS¹âÏË £¬´îÅä1mmÖ±¾¶µÄËÜÁϹâÏËʹÓà £¬¿ÉʵÏÖ×îС50Ã׵Ĵ«Êä¾àÀë¡£
FTBR-1629ZΪ·¢ÉäÆ÷ £¬ÓÉÒ»¿Å·åÖµ²¨³¤Îª650nmµÄ¸ß¹¦ÂÊLEDоƬºÍÆäÇý¶¯Ð¾Æ¬·â×°¶ø³É £¬ÅäºÏ1mmо¾¶µÄËÜÁϹâÏËÔÚ5VµçÔ´µçѹÏÂÊä³ö¹â¹¦Âʵ䷶ֵΪ-2dBm¡£FTBR-2529SIZΪÎüÊÕÆ÷ £¬ÓÉÒ»¿Å¼¯³É¹âµç¶þ¼«¹ÜµÄ¸ßÔöÒæ¿ç×è·Å´óÆ÷×é³É £¬Êä³ö¼¶Îª¹ìµ½¹ì½á¹¹ £¬×îÖÕÊä³öTTLµçƽ £¬Ìṩ¹¦Âʼà²â¹¦Ð§¡£ÎªÁËÌá¸ßÎüÊÕÆ÷Êä³öÂö¿íµÄÎȹÌÐÔ £¬ÎüÊÕоƬÉè¼ÆÁË×Ô¶¯Âö¿íУ׼µç· £¬Âö¿íÊ§ÕæÔÚ±4nsÒÔÄÚ¡£

²úÆ·ÌØµã
?Êý¾Ý´«ÊäËÙÂÊ£ºDC-50MBd
?´«Êä¾àÀë×îСֵ£º50Ã×
?Êä³ö²¨ÐÎÂö¿íÎȹÌ
?ÊÂÇéζȹæÄ££º-40¡æÖÁ 85¡æ
?ÇÐºÏ RoHS ±ê×¼
?RSSI¹¦Âʼà²â
?ÊÊÅä¶àÖÖ¹âÏË

²úÆ·Ó¦ÓÃ
?¹¤³§×Ô¶¯»¯
?¾ÖÓòÍøÂç
?ÒôÊÓÆµÓ¦ÓÃ/ÓÎÏ·Ó¦ÓÃ
?¹¤ÒµÍøÂçºÍÏÖ³¡×ÜÏß

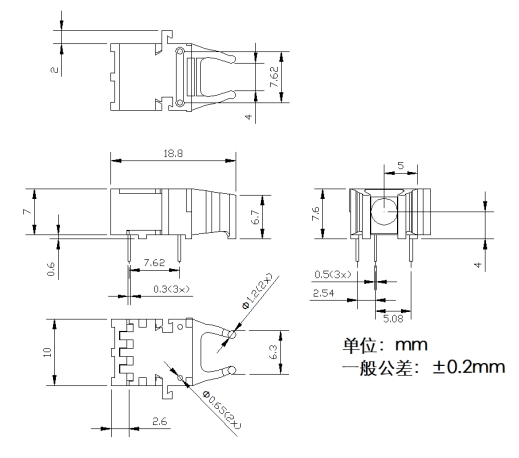
ÐÎ×´³ß´çͼ£¨FTBR-1629Z£©FTBR 2529SIZÐÎ×´³ß´çͼ£¨FTBR-2529SIZ£©FTBR 2529SIZ²úÆ·ÐͺÅÁбí

²úÆ·ÐͺÅ

˵Ã÷

FTBR-1629Z

·¢ÉäÆ÷¼þ

FTBR-2529SIZ

ÎüÊÕÆ÷¼þ

 

 

 

 

 

 

×¢£º±¾²úÆ·ÓÐÌìϲú»¯ÐͺſÉÑ¡
±¾²úƷΪFTBRϵÁÐ £¬½öչʾ²¿·Ö²ÎÊý £¬ÈôÓÐÐèÒª £¬ÇëÁªÏµbeat365¡£

Important Notice

Performance figures, data and any illustrative material provided in this data sheet are typical and must be specifically confirmed in writing by F-tone Networks before they become applicable to any particular order or contract. In accordance with the F-tone Networks policy of continuous improvement specifications may change without notice.

The publication of information in this data sheet does not imply freedom from patent or other protective rights of F-tone Networks or others. Further details are available from any F-tone Networks sales representative.

Ììϲú»¯¹âÄ  £¿é CFP2¹âÄ  £¿é JYSK¹âÏËÅþÁ¬Æ÷ ˼¿Æ¹âÄ  £¿é Marconi¹âÄ  £¿é Test Equipment & Others ¹âÏË·¨À¼ÊÊÅäÆ÷
SFPÌìϲú¹âÄ  £¿é CFP4¹âÄ  £¿é J599IIIµçÅþÁ¬Æ÷ ˼¿ÆFE SFP ²©´ï¹âÄ  £¿é ±£Æ«¹âÆ÷¼þ ¹âÏËÌøÏß&βÏË
1x9Ììϲú¹âÄ  £¿é CFP8 400Gbps S6¾ØÐÎÅþÁ¬Æ÷ ˼¿ÆSFP+¹âÄ  £¿é Íø¼þ¹âÄ  £¿é In-line Depolarizer FTTAÀ­Ô¶»ùÕ¾¹âÏËÌøÏß
ÌØÖÖ¹âÄ  £¿é CDFP 400Gbps S7¾ØÐÎÅþÁ¬Æ÷ ˼¿ÆXFP¹âÄ  £¿é Nortel¹âÄ  £¿é In-line Polarizer MPO/MTP¸ßÃܶÈϵÁÐ
25G~400G¸ßËÙ¹âÄ  £¿é MicroQSFP¹âÄ  £¿é GYM¹âÏËÅþÁ¬Æ÷ ˼¿ÆCFP¹âÄ  £¿é Moxa¹âÄ  £¿é IPBC/S ¾üÓÃÒ°Õ½·ÀË®¹âÏËÌøÏß
200km³¬³¤¾à¹âÄ  £¿é DSFP¹âÄ  £¿é J599III¹âÏËÅþÁ¬Æ÷ ˼¿ÆQSFP-DD ¹âÄ  £¿é º  £¿µÍþÊÓHIKVISION¹âÄ  £¿é PBC/S ÌØÖÖ¹âÏ˹âÀÂ
5GÒÆ¶¯Í¨Ñ¶¹âÄ  £¿é FT-61¹âÄ  £¿é Ë®ÃܹâÀÂÅþÁ¬Æ÷ ˼¿ÆQSFP+¹âÄ  £¿é McAfee¹âÄ  £¿é PM BPF ÌØÖÖÏßÀÂ×é¼þ
SFP¹âÄ  £¿é OLT¹âÄ  £¿é ¹âÏËÅþÁ¬Æ÷ת½ÓÆ÷ ˼¿ÆGE SFP SMCÖǰî¹âÄ  £¿é PM Circulator ͨÓùâÀ¹âÏËÌøÏß
1.25G SFP ONU¹âÄ  £¿é FT-A4ϵÁÐÅþÁ¬Æ÷ ˼¿ÆSFP OC3 °²»ª¸ßAvago¹âÄ  £¿é PM Collimator MXC? ¶àо¹âÀÂ×é¼þ
CWDM SFP PLCC¹âÄ  £¿é USB¹âÏËÑÓÉìÏß Ë¼¿ÆSFP OC12 °²»ª¸ßAvago 1x9¹âÄ  £¿é PM Coupler PRIZM? LIGHTTURN?×é¼þ
DWDM SFP RJ¹âÄ  £¿é HDMI ˼¿ÆSFP OC48 °²»ª¸ßAvago SFF¹âÄ  £¿é PM CWDM ¹âÏË»úÏä
BIDI-SFP SFF¹âÄ  £¿é ÌØÖÖµçÅþÁ¬Æ÷ ˼¿ÆGBIC¹âÄ  £¿é °²»ª¸ßAvago SFP¹âÄ  £¿é PM DWDM SMA-ÌØÊâÏËоϵÁÐ
SGMII SFP SNAP12¹âÄ  £¿é Ô²ÐÎÅþÁ¬Æ÷ ˼¿ÆX2¹âÄ  £¿é °²»ª¸ßAvago QSFP28 ¹âÄ  £¿é PM Faraday mirror ÌØÊâÌÖÂÛϵÁÐ
Video SFP¹âÄ  £¿é USOT¹âÄ  £¿é ¾ØÐεçÅþÁ¬Æ÷ ˼¿ÆXENPAK¹âÄ  £¿é °²»ª¸ßAvago QSFP+¹âÄ  £¿é PM Fiber mirror îø×°ÏµÁÐ
Copper SFP X2¹âÄ  £¿é ÌØÖÖ¹âÏ˹âÀ »ªÈý¹âÄ  £¿é °²»ª¸ßAvago SNAP12¹âÄ  £¿é PM Filter Coupler ¹âñîºÏÆ÷Coupler
µÍ¹¦ºÄSFP Xenpak¹âÄ  £¿é ÌØÖÖ¹âÏË »ªÈýSFP °²»ª¸ßAvago ÆäËû¹âÄ  £¿é PM Fused Coupler ƤÏËÌøÏßϵÁÐ
SFP+¹âÄ  £¿é ¹âµç±àÂëÆ÷Ä  £¿é ¹âÏËÆ÷¼þ »ªÈýSFP+ °²»ª¸ß Embedded¹âÄ  £¿é PM FWDM ´óоÊýϵÁÐ
CWDM SFP+ ¹âÄ  £¿é²âÊÔ°å ÌØÖÖ¹âÀ¼°¹âÀÂ×é¼þ »ªÈýSFP28 ¹âÄ  £¿é °²»ª¸ßFiber Optics¹âÄ  £¿é PM Isolator »ØÂ·ÌøÏßϵÁÐ
DWDM SFP+ ¹âÄ  £¿éÁý×Ó×ù×Ó ¹âź »ªÈýQSFP+¹âÄ  £¿é Industrial Transmitters and Receivers PM Isolator WDM ±£Æ«¹âÏËϵÁÐ
BIDI SFP+ DAC ¸ßËÙÏßÀ ±ê×¼¹âñî »ªÈýQSFP28 ¹âÄ  £¿é Optical Transceivers PM PLC ¹âͨѶ×é¼þ
Tunable SFP+ ¹âÏË»¬»·|¹âµç»¬»· SMA²âÊÔÏßÀ »ªÈý CFP¹âÄ  £¿é ·Éͨ¹âÄ  £¿é PM Tap Isolator ¹â¸ôÀëÆ÷isolator
16GFC SFP+ ¹âÀ³µ OSA »ªÈý CXP¹âÄ  £¿é Finisar¹âÄ  £¿é PM Tap Isolator WDM ÆäËü¹âÆ÷¼þ
25GE SFP+ ¾üÆ·¼¶DIN¹âÄ  £¿é PON BOSA »ªÈý CX4¸ßËÙµçÀ ·ÆÄáÈøFinisar SFF¹âÄ  £¿é PM VOA ¿Éµ÷Â˲¨Æ÷
32GFC SFP+ ËÜÁϹâÏËÄ  £¿é Pigtailed PD »ªÈýXFP yellobrik SDI¹âÄ  £¿é ÆäËü±£Æ«Æ÷¼þ ¿Éµ÷Ë¥¼õÆ÷
SFP28¹âÄ  £¿é Ìæ»»°²»ª¸ß¹¤ÒµµçÁ¦¹âÄ  £¿é RFoG BOSA »ªÈýGE SFP ÂÞ¿ËΤ¶ûAB¹âÄ  £¿é ¹â·Ö·Æ÷ À­×¶ñîºÏÆ÷
SFP56¹âÄ  £¿é ¼æÈݹú²ú»¯Ìæ»»°²»ª¸ß¹âñî TO-CAN »ªÈýFE SFP Â޽ܿµ¹âÄ  £¿é FBTÀ­×¶·Ö·Æ÷ ÎÞÔ´¹âÆ÷¼þ
SFP-DD¹âÄ  £¿é É䯵¹âÄ  £¿é ¹âÏËζȴ«¸ÐÆ÷ »ªÈýSFP STM-4 ÑлªAdvantech¹âÄ  £¿é PLC ¹â·Ö·Æ÷ ·¨À­µÚÐýת¾µ
QSFP¹âÄ  £¿é ΢ÐͶà·¹âÄ  £¿é ¹âÏËÓ¦±ä´«¸ÐÆ÷ »ªÈýSFP STM-16 Ììϲú»¯¹âÆ÷¼þ PLCÆ½Ãæ²¨µ¼¹â·Ö·Æ÷ ²¨·Ö¸´ÓÃÆ÷
QSFP+ ¹âÄ  £¿é ÌØÖÖ¹âÄ  £¿é ¹âÏ˼ÓËÙÂÊ´«¸ÐÆ÷ »ªÈýGBIC¹âÄ  £¿é FT-XSϵÁР¹ú²ú»¯°ëµ¼Ìå¹â·Å´óÆ÷ ¹â¿ª¹Ø AWG DWDM²¨·Ö¸´ÓÃÆ÷
QSFP28¹âÄ  £¿é HPC²¢ÐйâÄ  £¿é ¹âÏßѹÁ¦´«¸ÐÆ÷ »ªÈýBIDI¹âÄ  £¿é ¹âÏËÕóÁÐϵÁР̽²âÆ÷ Fused WDM²¨·Ö¸´ÓÃÆ÷
QSFP56¹âÄ  £¿é LC-RJ³¬Ð¡Ð͵¥Â·¹âÄ  £¿é ¹âÏËÎ»ÒÆ´«¸ÐÆ÷ »ªÈýXENPAK¹âÄ  £¿é ¸ßËÙÄ  £¿é΢ÅþÁ¬ ¹â¹¦ÂÊ¼Æ FWDM²¨·Ö¸´ÓÃÆ÷
QSFP112 400G¹âÄ  £¿é LCC48¹âÄ  £¿é ¹âÏËÓ¦Á¦´«¸ÐÆ÷ »ªÈýEPON OLT SFP Ïà¹ØÍ¨Ñ¶¹âÅþÁ¬ È«¹âÏËÏàλÀ­ÉìÆ÷ Mini΢ÐÍ´Ö²¨·Ö¸´ÓÃÆ÷
QSFP224¹âÄ  £¿é LC³¬¶ÌÐ͹âÄ  £¿é ¹âÏË´«¸ÐÆÊÎöÒÇ Öк½¹âµç¹âÄ  £¿é ¹è¹â×ÓÆ÷¼þ¹âÁ´½Ó ¹âÏË×¼Ö±Æ÷ ¹â·Ö²å¸´ÓÃÆ÷
QSFP-DD¹âÄ  £¿é SNAP12¹âÄ  £¿é ¹âÏËÂþÑÜʽ²âÎÂÖ÷»ú ÖÐÐ˹âÄ  £¿é Bio-Medical Equipment ¹âË¥¼õÆ÷ϵÁÐ ÆäËüÖÖÀನ·Ö¸´ÓÃÆ÷²úƷϵÁÐ
QSFP-DD800¹âÄ  £¿é ΢Ð͹âÄ  £¿é ¹âÏ˲¼ÀïÔ¨ÐźŽâµ÷ÒÇ Èñ½Ý¹âÄ  £¿é Components for Fiber Laser ¹âÆ«Õñ¿ØÖÆÆ÷ ÷缯²¨·Ö¸´ÓÃÆ÷
OSFP 400Gbps ΢ÐͿɲå°ÎBGA¹âÄ  £¿é ÂþÑÜʽ¹âÏËÉùÕñÐźŽâµ÷ÒÇ »ÝÆÕ¹âÄ  £¿é Components for Fiber sensing ¹âÔ´ ´Ö²¨·Ö¸´ÓÃÆ÷
OSFP 800G¹âÄ  £¿é ±íÌùʽµ¥Â·¹âÄ  £¿é Camera Link ÉñÖÝÊýÂë¹âÄ  £¿é Components for Optical Network ¹â»·ÐÐÆ÷Circulator WDMÄ  £¿é
OSFP 1.6T¹âÄ  £¿é ÌØÖÖ¹âÏËÅþÁ¬Æ÷ ¹âÄ  £¿é֪ʶ Juniper¹âÄ  £¿é EDFA¹âÏË·Å´óÆ÷ ¹âÏËÑÓ³ÙÏß Â˲¨Æ÷
HSFP 1.6T~12.8T¹âÄ  £¿é J599¹âÏ˲åÍ·²å×ù »ªÎª¹âÄ  £¿é Extreme¹âÄ  £¿é ¹âÏË´«¸ÐÆ÷ ɫɢÅâ³¥Ä  £¿é µûÐμ¤¹âÆ÷
XFP¹âÄ  £¿é ODC¹âÏËÅþÁ¬Æ÷ϵÁÐ »ªÎªGE SFP Brocade¹âÄ  £¿é High power Component ¹âÏË·Å´óÆ÷ ¹âñîºÏÆ÷&·Ö·Æ÷
CWDM XFP ÆäËûÌØÖÖ¹âÏËÅþÁ¬Æ÷ »ªÎªQSFP+¹âÄ  £¿é D-Link¹âÄ  £¿é HP In-line Polarizer ÎÞÔ´´«Êäת»»Æ÷ ¹âÏË»·ÐÎÆ÷&·¨À­µÚÐýת¾µ
DWDM XFP Ò°Õ½¹âÏËÅþÁ¬Æ÷ »ªÎªSFP+ ºÕ˼Âü¹âÄ  £¿é HP Isolator ¹âÏ˼¤¹âÆ÷ ¹âÏ˸ôÀëÆ÷&²¨·Ö¸´ÓÃÆ÷
BIDI XFP ÌØÖÖ¹âµçÅþÁ¬Æ÷ »ªÎªQSFP28 °¢¶û¿¨ÌØÀÊѶ¹âÄ  £¿é HP PBC/S ¹âµ÷ÖÆÆ÷ ¹âÏË·ÖÊøÆ÷&ºÏÊøÆ÷£¨PBS/PBC£©
1x9¹âÄ  £¿é J599IIIÆéá«Æµ»ì×°ÅþÁ¬Æ÷ »ªÎªFE SFP Allied Telesis¹âÄ  £¿é Pump Combiner ¹âµç̽²âÆ÷ ¹âÏ˹âÕ¤
CSFP¹âÄ  £¿é NGC¹âÏËÅþÁ¬Æ÷ »ªÎªXFP Foundry¹âÄ  £¿é HP Circulator ¹âÏËÆ«Õñ ¸ßËÙÏßÀÂ
CSFP+10G¹âÄ  £¿é J599A6¹âÏËÅþÁ¬Æ÷ »ªÎªSFP OC12 Force10¹âÄ  £¿é Pump laser protector ¹âÏËÂ˲¨Æ÷
CXP¹âÄ  £¿é GYMB¹âÏËÅþÁ¬Æ÷ »ªÎªGBIC¹âÄ  £¿é Blade¹âÄ  £¿é Hybrid for EDFA ͬÖἤ¹âÆ÷
CFP¹âÄ  £¿é J599III¹âµçÅþÁ¬Æ÷ »ªÎªSFP STM16 Linksys¹âÄ  £¿é Test Equipment & Others ͬÖáµçÀÂ

028-85255257 | sales@f-tone.com

±ê׼ЭÒé¹âÄ  £¿é²úÆ·

¼æÈÝЭÒé¹âÄ  £¿é

ÆäËüÖÖÀà¹âÆ÷¼þ

ÊÖÒÕÖ§³Ö

¡¾ÍøÕ¾µØÍ¼¡¿¡¾sitemap¡¿