
²úÆ·¸ÅÊö
FTBR-2316TZ¹âÏËÎüÊÕÆ÷£¬ÅäºÏ62.5/125Hm¶àÄ£¹âÏËʹÓã¬Îª¹¤Òµ¡¢·¢µç¡¢Ò½ÁÆ¡¢½»Í¨ºÍÓÎÏ·Ó¦ÓõÈÁìÓòÌṩ¸ßÐÔÄܵͱ¾Ç®µÄ¹âÏËͨѶÁ´Â·£¬Åä1312·¢ÉäÆ÷¼þ£¬´«Êä¾àÀë×îСΪ5ǧÃס£
FTBR-2316TZÖ§³Ö¹¤Òµ±ê×¼µÄST¹âÏ˽ӿڣ¬Ìṩ´øÂÝÎÆ¿ÉÑ¡¡£ÊÊÅä¶àÖÖÀà¹âÏËо¾¶µÄ¶àÄ£¹âÏË£¬°üÀ¨50 /125μm£¬62.5/125μm.
FTBR-2316TZÎüÊÕÆ÷°üÀ¨Ò»¸öInGaAs PIN¹âµç¶þ¼«¹ÜºÍÒ»¸öµÍÔëÉù¿ç×迹ǰÖ÷ŴóÆ÷£¬ÊÂÇ鲨³¤1300 nm¡£
²úÆ·ÌØµã
¡ñÊý¾Ý´«ÊäËÙÂÊ£º155MBd
¡ñ ´«Êä¾àÀë×îСֵ£º5ǧÃ×
¡ñ ÇÐºÏ RoHS ±ê×¼
¡ñÊÊÅä¶àÖÖо¾¶¹âÏË
¡ñ STÌÖÂÛ´øÂÝÎÆ¿ÉÑ¡
¡ñÖª×㹤ҵ¼¶Î¶ȹæÄ££º-40¡æÖÁ85¡æ
Ó¦ÓÃ
¡ñ ¸ßËÙÂʾÖÓòÍø
¡ñ ¾ÖÓòÍøÂç
¡ñ µçÐŽ»Á÷»úϵͳ
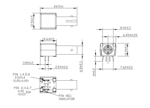
ST½Ó¿ÚÐÎ×´³ß´çͼ£¨FTBR-2316Z£© µ¥Î»£ºmm
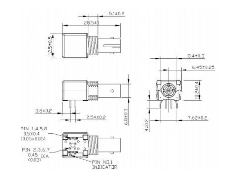
´øÂÝÎÆµÄST½Ó¿ÚÐÎ×´³ß´çͼ£¨FTBR-2316TZ£© µ¥Î»£ºmm
²úÆ·ÐͺÅÁбí

±¾²úƷΪFTBRϵÁУ¬½öչʾ²¿·Ö²ÎÊý£¬ÈôÓÐÐèÒª£¬ÇëÁªÏµbeat365¡£
Important Notice
Performance figures, data and any illustrative material provided in this data sheet are typical and must be specifically confirmed in writing by F-tone Networks before they become applicable to any particular order or contract. In accordance with the F-tone Networks policy of continuous improvement specifications may change without notice.
The publication of information in this data sheet does not imply freedom from patent or other protective rights of F-tone Networks or others. Further details are available from any F-tone Networks sales representative.