
GMϵÁÐË®ÃÜÅþÁ¬Æ÷
1¡¢Ðͺţº
£¨1£©GM/26E01N-FC-S2-L1
ÐͺÅ˵Ã÷£º×ó¶ËΪµ¥Ð¾Ë®ÃܹâÏËÅþÁ¬Æ÷ GM/26E01N ²åÍ·£¬ÓÒ¶ËΪ FC ²åÍ·£¬Ê¹Óà 2mmµ¥Ä£µ¥Ð¾Ë®ÃܹâÀ£¬¹âÀ³¤¶È 1 Ãס£
£¨2£©GM/20E01N-FC-S0.9-L1
ÐͺÅ˵Ã÷£º×ó¶ËΪµ¥Ð¾Ë®ÃܹâÏËÅþÁ¬Æ÷ GM/20E01N ²å×ù£¬ÓÒ¶ËΪ FC ²åÍ·£¬Ê¹Óà 0.9mmµ¥Ä£µ¥Ð¾¹âÀ£¬¹âÀ³¤¶È 1 Ã×GMϵÁÐË®ÃÜÅþÁ¬Æ÷ ϵÁÐË®ÃÜÅþÁ¬Æ÷¡£
2¡¢ÐÎ×´¼°³ß´ç
£¨1£©GM/26E01N-FC-S2-L1
¢Ù×é¼þÐÎ״ͼ
¢Ú²åÍ·ÐÎ״ͼ

£¨2£©GM/20E01N-FC-S0.9-L1
¢Ù×é¼þÐÎ×´³ß´ç
¢Ú²å×ùÐÎ״ͼ
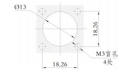
£¨3£©×°Öóߴç
3¡¢²úÆ·ÐÔÄÜ
×¢£º±¾²úÆ·ÓÐÌìϲú»¯ÐͺſÉÑ¡
Important Notice
Performance figures, data and any illustrative material provided in this data sheet are typical and must be specifically confirmed in writing by F-tone Networks before they become applicable to any particular order or contract. In accordance with the F-tone Networks policy of continuous improvement specifications may change without notice.
The publication of information in this data sheet does not imply freedom from patent or other protective rights of F-tone Networks or others. Further details are available from any F-tone Networks sales representative.