
FT-49-ACPD4021292FA Ð͸ßËÙ InGaAs ¹âµç̽²âÆ÷
²úÆ·ÐÎò
FT-49-ACPD4021292FA Ð͸ßËÙInGaAs ¹âµç̽²âÆ÷ʹÓõ¥Æ¬¼¯³É PD оƬ£¬ ½ÓÄÉ FC/APC ¹âÏËÊäÈë¡¢ 1.85mm É䯵½Ó¿ÚÊä³ö¡¢ÆøÃÜ·â×°½á¹¹¡£²úÆ·¿ÉÔÚÒÇÆ÷×°±¸ÖоÙÐг¬¿ìÂö³åÕÉÁ¿Ó¦Óá£
Ö÷ÒªÐÔÄÜÖ¸±ê(TC=22±3¡æ)
|
²ÎÊýÃû³Æ |
²âÊÔÌõ¼þ |
²ÎÊýÖ¸±ê |
µ¥Î» |
|
ÏìÓ¦¶ÈRe |
VR=5V,λ=1.55μm, Pin=1mW |
≥0.50 |
A/W |
|
3dB´ø¿íf3dB |
VR=5V,λ=1.55μm, Pin=1mW, RFin=-10dB |
DC¡«67 |
GHz |
|
´øÄÚÆ½Õ¹¶ÈF |
VR=5V,λ=1.55μm, Pin=1mW, RFin=-10dB, fBW=0.05¡«67 GHz |
≤±1.5 |
dB |
|
É䯵·´ÉäÏûºÄS22max |
VR=5V,λ=1.55μm, Pin=1mW, RFin=-10dB, fBW=0.05¡«50 GHz |
≤-8 |
dB |
|
±¥ºÍÊäÈë¹â¹¦ÂÊPS |
VR=5V,λ=1.55μm, fc=35 GHz, RFin=-10dB |
≥10 |
dBm |
|
°µµçÁ÷ID |
VR=5V |
≤10 |
nA |
¾ø¶Ô×î´ó¶î¶¨Öµ
|
²ÎÊýÃû³Æ |
¶î¶¨Öµ |
µ¥Î» |
|
Öü´æÎ¶ȹæÄ£TSTG |
-55¡«+85 |
¡æ |
|
ÊÂÇéζȹæÄ£TC |
-55¡«+70 |
¡æ |
|
Æ«ÖõçѹVR |
≤7 |
V |
|
¹âÈëÉ书ÂÊPin£¨VR=5V£© |
≤20 |
mW |
|
º¸½ÓζÈTsolder |
260£¨10s£© |
¡æ |
|
¾²µç·ÅµçÃô¸Ð¶ÈESD |
≥250 |
V |
ÍÆ¼öÊÂÇé״̬
|
²ÎÊýÃû³Æ |
¶î¶¨Öµ |
µ¥Î» |
|
Æ«ÖõçѹVR |
3~5 |
V |
|
¹âÈëÉ书ÂÊPin |
1~5 |
mW |
ÖÊÁ¿¿É¿¿ÐÔ°ü¹Ü
²úÆ·Ö´ÐÐ Q/UH 20718-2020¡¶FT-49-ACPD4021292FA ÐÍ InGaAs ¹âµç̽²âÆ÷Ä£¿éÏêϸ¹æ·¶¡·ÒªÇó¡£
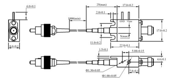
·â×°ÐÎ×´¡¢³ß´ç¼°Òý½Å½ç˵£¨µ¥Î»£º mm£©

×¢£º±¾²úÆ·ÓÐÌìϲú»¯ÐͺſÉÑ¡
±¾²úƷΪFT-49ϵÁУ¬½öչʾ²¿·Ö²ÎÊý£¬ÈôÓÐÐèÒª£¬ÇëÁªÏµbeat365¡£
Important Notice
Performance figures, data and any illustrative material provided in this data sheet are typical and must be specifically confirmed in writing by F-tone Networks before they become applicable to any particular order or contract. In accordance with the F-tone Networks policy of continuous improvement specifications may change without notice.
The publication of information in this data sheet does not imply freedom from patent or other protective rights of F-tone Networks or others. Further details are available from any F-tone Networks sales representative.