
¸ßËÙ InGaAs ¹âµç̽²âÆ÷£¨≥20 dB£©
beat365Ñб¬·¢²ú:¸ßËÙ InGaAs ¹âµç̽²âÆ÷£¨≥20 dB£© , ÊÇÒ»¼ÒרҵµÄ¸ßËÙ InGaAs ¹âµç̽²âÆ÷£¨≥20 dB£© ³§¼Ò,¾ßÓÐÓÅÖʵĸßËÙ InGaAs ¹âµç̽²âÆ÷£¨≥20 dB£© Æ·ÖÊ,ÓкܺõĸßËÙ InGaAs ¹âµç̽²âÆ÷£¨≥20 dB£© ¼ÛÇ®,¸ßËÙ InGaAs ¹âµç̽²âÆ÷£¨≥20 dB£© º£Á¿½»¸¶¸ø¹ú·À¡¢¾ü¹¤¡¢º½¿Õ¡¢º½Ìì¡¢ÎäÆ÷¡¢½¢´¬¡¢À×´ï¡¢µç×Ó¡¢ºË¹¤Òµ¡¢¾üÊ¡¢µçÁ¦¡¢Ìú·¡¢Ò½ÁÆ¡¢½»Í¨¡¢Í¨Ñ¶¡¢µçÐÅ¡¢Õþ¸®¡¢¹ú·À¿Æ¼¼¹¤ÒµÏµÍ³ÄÚ´óרԺУ¼°¿ÆÑÐÔºËù
FT-49-ACPD18GV185FA ¹âµç̽²âÆ÷¼¯³ÉÄÚÆ«Öõç·,½ÓÄÉ DC ñîºÏ¡¢1.85 Êä³ö½Ó¿Ú¡¢ÆøÃÜ·â×°½á¹¹¡£
²úÆ·¿ÉÔÚ¸ßËÙ¹âͨѶ¡¢Î¢²¨¹â×ÓÁ´Â·¡¢¸ßËÙ²âÊÔÕÉÁ¿µÈϵͳӦÓá£
¡ö Ö÷ÒªÐÔÄÜÖ¸±ê(TC=22±3¡æ)
¡ö ¾ø¶Ô×î´ó¶î¶¨Öµ
¡ö ÖÊÁ¿¿É¿¿ÐÔ°ü¹Ü
¨D²úÆ·Ö´ÐÐ GJB 8120-2013¡¶°ëµ¼Ìå¹âµçÄ£¿éͨÓù淶¡·Ïà¹ØÒªÇó¡£
¡ö µä·¶ÌØÕ÷ÇúÏß
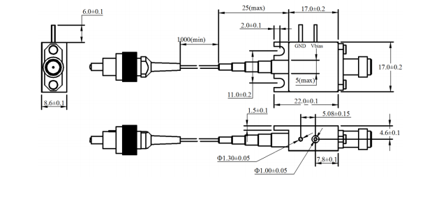
¡ö ·â×°ÐÎ×´¡¢³ß´ç¼°Òý½Å½ç˵£¨µ¥Î»£ºmm£©
Important Notice