
J599/26KD18B1N¡¢J599/20KD18A1N ¹âÀÂ×é¼þ
1¡¢ÐͺÅ
£¨1£©J599/20FD18A1N-16LC-M2-L0.5
ÐͺÅ˵Ã÷£º×ó¶ËΪ J599/20KD18A1N ²å×ù£¬ÓÒ¶ËΪ 16 Ö» LC ²åÍ·£¬Ê¹ÓÃφ2 µ¥Ð¾¶à
Ä£ 62.5/125 TPU ¹âÀ£¬¹âÀÂ×ܳ¤Îª 0.5 Ãס£
£¨2£©J599/26FD18B1N-16E8T-C7*16-2M10/0.5
ÐͺÅ˵Ã÷£º×ó¶ËΪ J599/26KD18B1N02 ²åÍ·£¬ÓÒ¶ËΪ 16 Ö» E8T ²åÍ·£¬Ê¹ÓÃφ7
Ê®Áùо¶àÄ£ 62.5/125 îø×°¹âÀ£¬¹âÀÂ×ܳ¤Îª 10 Ã×£¬·ÖÖ§³¤¶È 0.5 Ãס£
2¡¢²úÆ·¹¦Ð§
¸Ã×é¼þÓÃÓÚ´«Êä 16 · 850nm/1300nm ²¨³¤¹âÐźš£
3¡¢¹âÀÂ×é¼þÐÎ×´¼°³ß´ç
3.1 J599/20FD18A1N-16LC-M2-L0.5
¢ÙÐÎ״ͼ

¢Ú ²å×ùÐÎ״ͼ
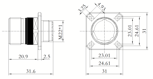
¢Û²å×ù×°Öóߴç
3.2 J599/26KD18B1N02-18LC-MIV2-L3/0.3
¢ÙÐÎ״ͼ

¢Ú²åÍ·ÐÎ״ͼ
3.3 ½ÓµãÅÅÁÐ
4¡¢²úÆ·ÐÔÄÜ
×¢£º±¾²úÆ·ÓÐÌìϲú»¯ÐͺſÉÑ¡
Important Notice
Performance figures, data and any illustrative material provided in this data sheet are typical and must be specifically confirmed in writing by F-tone Networks before they become applicable to any particular order or contract. In accordance with the F-tone Networks policy of continuous improvement specifications may change without notice.
The publication of information in this data sheet does not imply freedom from patent or other protective rights of F-tone Networks or others. Further details are available from any F-tone Networks sales representative.