
J599 A8 2о¹âÏ˲åÍ·
²úÆ·ÌØµã¼°Ó¦ÓÃ
Ö´ÐÐÆóÒµ±ê×¼£ºQ/21EJ1305½Ó¿Ú³ß´çÇÐºÏ GJB599A
(MIL-DTL-38999)¢ó£¬ÐÔÄÜÇÐºÏ ARINC801±ê×¼
ÊÊÓÃÓÚº½¿Õ¡¢µç×Ó¡¢½¢´¬µÈϵͳ£¬ÓÃÓÚ¶à·¹âͨѶ
Íâ¿ÇÌå¿ÉÑ¡Óòî±ðÖÊÁϼ°¶Æ²ã˳Ӧ²î±ðÇéÐÎÒªÇó
Îå¼ü¶¨Î»£¬ÓÐä²åºÍ·À´í²å¹¦Ð§
ÈýÍ·ÂÝÎÆ¿ìËÙÅþÁ¬£¬²¢´øÓзÀËÉÍÑ»ú¹¹
½ÓÄÉÌմɲåÕëºÍÌ×¹ÜʵÏÖ½Ó´¥¼þϸÃܶԽÓ
ÓжàÖÖβ²¿×ª±äÐÎʽ¿ÉÑ¡
ÓÐת½Ó²å×ù£¨¿ÉÑ¡ÆøÃܷ⣩ÐÎʽ£¬ÕõÍѹâÀÂÔ¼Êø
Ö÷ÒªÊÖÒÕÐÔÄÜ
²åÈëÏûºÄ£º≤0.6dB·
ÊÂÇéζȣº£55¡æ¡«£«85¡æ
Õñ¶¯£º10Hz¡«2000Hz£¬¹¦ÂÊÆ×ÃÜ¶È 0.4G2/Hz
¹¥»÷£º2940 m/s2£¬Ò»Á¬Ê±¼ä 3ms£¬ËÙÂÊת±äÂÊ 2.96m/s
»úеÊÙÃü£º500´Î
¿¹ÀÁ¦£º≥68N(2mm½Ó´¥¼þÌøÏß)
ÆøÃÜ·âÐÔ£¨ÊÊÓÃÓÚÆøÃÜת½Ó²å×ù£©£ºÆøÌå×ß©≤1*10
-9 Pa.m 3 /S ÄÚÍâѹ²îΪ 1´óÆøÑ¹
≥1000h(²»Ðâ¸Ö²ÄÖÊ£¬ÂÁºÏ½ð¶ÆïÓ≥48h(ÂÁºÏ½ð¶ÆÄø)
ÐͺÅÃüÃû





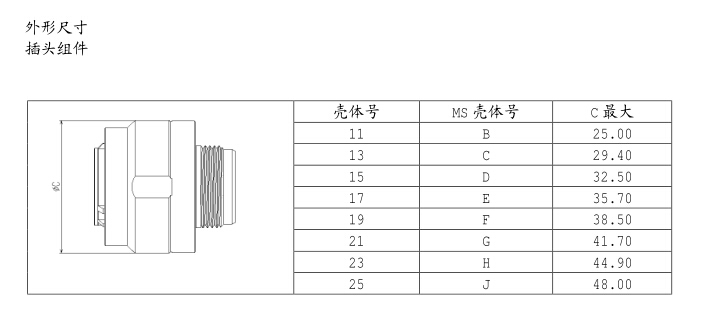
²úÆ·ÐÎ״ͼ



Important Notice
Performance figures, data and any illustrative material provided in this data sheet are typical and must be specifically confirmed in writing by F-tone Networks before they become applicable to any particular order or contract. In accordance with the F-tone Networks policy of continuous improvement specifications may change without notice.
The publication of information in this data sheet does not imply freedom from patent or other protective rights of F-tone Networks or others. Further details are available from any F-tone Networks sales representative.