
J7ϵÁоØÐεçÅþÁ¬Æ÷
¸ÃϵÁвúÆ·ÅþÁ¬·½·¨ÎªÖ±²åÅþÁ¬,ʹÓÃÀû±ã,¿É¿ìËÙ²å°Î,´øÓÐÆæÒìµÄË«ÖØËø½ô»ú¹¹,·ÀÓêÍâ¿ÇÆÁÕÏ,²å×ù¹à½ºÃÜ·â¡£²å¿×½ÓÄÉÏ߻ɿ×,¿É¿¿ÐÔ¸ß,²å°ÎÁ¦Ð¡,ʹÓÃÊÙÃü³¤¡£ÆÕ±éÊÊÓÃÓÚÖÖÖÖµç×ÓÒÇÆ÷¡¢µçÆø×°±¸ÏµÍ³Ö®¼äµÄµç·ÅþÁ¬¡£¸ÃϵÁвúÆ·½ÓÄɵĹú¼Ò±ê׼ΪGJB17A-98¡¶J7ϵÁÐÄÍÇéÐÎÏ߻ɿ׾àÐеçÅþÁ¬Æ÷¹æ·¶¡·
ÇéÐÎÐÔÄÜ
ÊÂÇéζÈ: -55¡æ¡«+125¡æ
Ïà¶Ôʪ¶È: 40±2¡æÊ±Ïà¶Ôʪ¶È92%-98%
ÊÂÇéÆøÑ¹: 101.33KPa¡«6.67Pa
ÕýÏÒÕñ¶¯: 10Hz¡«2000Hz ¼ÓËÙÂÊ245m/s²
ÃÜ·âÐÔ£¨½öÃÜ·â²å×ù£©: ÄÍÆøÑ¹0.2MPa
¹¥»÷: ¼ÓËÙÂÊ1176m/s²
Åöײ: ¼ÓËÙÂÊ392m/s²
ÀëÐÄ: ¼ÓËÙÂÊ784m/s²
·ÀÓê: ½µÓêÁ¿5mm/min
»úеÊÙÃü: 1000´Î
µçÆøÐÔÄÜ:

±ê¼ÇʾÀý:

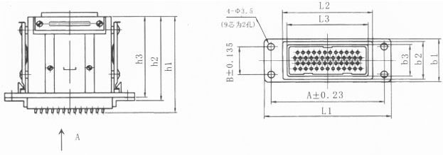
ÐÎ×´¼°×°Öóߴç:


Important Notice
Performance figures, data and any illustrative material provided in this data sheet are typical and must be specifically confirmed in writing by F-tone Networks before they become applicable to any particular order or contract. In accordance with the F-tone Networks policy of continuous improvement specifications may change without notice.
The publication of information in this data sheet does not imply freedom from patent or other protective rights of F-tone Networks or others. Further details are available from any F-tone Networks sales representative.