beat365

±ê×¼¹âÄ£¿é

JYSK¿¨¿Ûʽ¹âÏËÅþÁ¬Æ÷

JYSK¿¨¿Ûʽ¹âÏËÅþÁ¬Æ÷

0.0/5 rating (0 votes)

Description

JYSKÅþÁ¬Æ÷

Ò»¡¢²úÆ·ÐͺÅ
1¡¢²åÍ·ÐͺţºJYSK2M12N-T
¸Ã²åͷΪ¿¨¿Ûʽ¹âÏËÅþÁ¬Æ÷£¬¿ÉÒÔ×°ÈëMTÐ͹âÏ˽Ӵ¥¼þ£¬ÂÝĸ¼°ºóÌ׿ª²Û1.5mm£¬±ãÓÚºó×°Èë½Ó´¥¼þ¡£
2¡¢²å×ùÐͺţºJYSK2M12N05Z
¸Ã²å×ùΪ¿¨¿Ûʽ¹âÏËÅþÁ¬Æ÷£¬¿ÉÒÔ×°ÈëMTÐ͹âÏ˽Ӵ¥¼þ¡£
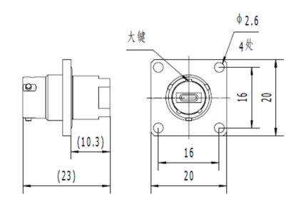
¶þ¡¢²úÆ·ÐÎ״ͼ
2.1 ²åÍ·ÐÎ״ͼ

E2

2.2 ²å×ùÐÎ״ͼ

E2

Èý¡¢ÐÔÄÜÖ¸±ê

ÏîÄ¿Ãû³Æ

Ö¸±ê

²åÈëÏûºÄ

≤0.75dB

ʹÓÃζÈ

-40——+80¡æ

»úеÊÙÃü

≥500´Î

Õñ¶¯

10——2000Hz

¹¥»÷

490m/ƽ·½s

 

 

 

 

 

 

×¢£º±¾²úÆ·ÓÐÌìϲú»¯ÐͺſÉÑ¡
Important Notice

Performance figures, data and any illustrative material provided in this data sheet are typical and must be specifically confirmed in writing by F-tone Networks before they become applicable to any particular order or contract. In accordance with the F-tone Networks policy of continuous improvement specifications may change without notice.

The publication of information in this data sheet does not imply freedom from patent or other protective rights of F-tone Networks or others. Further details are available from any F-tone Networks sales representative.

Ììϲú»¯¹âÄ£¿é CFP2¹âÄ£¿é JYSK¹âÏËÅþÁ¬Æ÷ ˼¿Æ¹âÄ£¿é Marconi¹âÄ£¿é Test Equipment & Others ¹âÏË·¨À¼ÊÊÅäÆ÷
SFPÌìϲú¹âÄ£¿é CFP4¹âÄ£¿é J599IIIµçÅþÁ¬Æ÷ ˼¿ÆFE SFP ²©´ï¹âÄ£¿é ±£Æ«¹âÆ÷¼þ ¹âÏËÌøÏß&βÏË
1x9Ììϲú¹âÄ£¿é CFP8 400Gbps S6¾ØÐÎÅþÁ¬Æ÷ ˼¿ÆSFP+¹âÄ£¿é Íø¼þ¹âÄ£¿é In-line Depolarizer FTTAÀ­Ô¶»ùÕ¾¹âÏËÌøÏß
ÌØÖÖ¹âÄ£¿é CDFP 400Gbps S7¾ØÐÎÅþÁ¬Æ÷ ˼¿ÆXFP¹âÄ£¿é Nortel¹âÄ£¿é In-line Polarizer MPO/MTP¸ßÃܶÈϵÁÐ
25G~400G¸ßËÙ¹âÄ£¿é MicroQSFP¹âÄ£¿é GYM¹âÏËÅþÁ¬Æ÷ ˼¿ÆCFP¹âÄ£¿é Moxa¹âÄ£¿é IPBC/S ¾üÓÃÒ°Õ½·ÀË®¹âÏËÌøÏß
200km³¬³¤¾à¹âÄ£¿é DSFP¹âÄ£¿é J599III¹âÏËÅþÁ¬Æ÷ ˼¿ÆQSFP-DD ¹âÄ£¿é º£¿µÍþÊÓHIKVISION¹âÄ£¿é PBC/S ÌØÖÖ¹âÏ˹âÀÂ
5GÒÆ¶¯Í¨Ñ¶¹âÄ£¿é FT-61¹âÄ£¿é Ë®ÃܹâÀÂÅþÁ¬Æ÷ ˼¿ÆQSFP+¹âÄ£¿é McAfee¹âÄ£¿é PM BPF ÌØÖÖÏßÀÂ×é¼þ
SFP¹âÄ£¿é OLT¹âÄ£¿é ¹âÏËÅþÁ¬Æ÷ת½ÓÆ÷ ˼¿ÆGE SFP SMCÖǰî¹âÄ£¿é PM Circulator ͨÓùâÀ¹âÏËÌøÏß
1.25G SFP ONU¹âÄ£¿é FT-A4ϵÁÐÅþÁ¬Æ÷ ˼¿ÆSFP OC3 °²»ª¸ßAvago¹âÄ£¿é PM Collimator MXC? ¶àо¹âÀÂ×é¼þ
CWDM SFP PLCC¹âÄ£¿é USB¹âÏËÑÓÉìÏß Ë¼¿ÆSFP OC12 °²»ª¸ßAvago 1x9¹âÄ£¿é PM Coupler PRIZM? LIGHTTURN?×é¼þ
DWDM SFP RJ¹âÄ£¿é HDMI ˼¿ÆSFP OC48 °²»ª¸ßAvago SFF¹âÄ£¿é PM CWDM ¹âÏË»úÏä
BIDI-SFP SFF¹âÄ£¿é ÌØÖÖµçÅþÁ¬Æ÷ ˼¿ÆGBIC¹âÄ£¿é °²»ª¸ßAvago SFP¹âÄ£¿é PM DWDM SMA-ÌØÊâÏËоϵÁÐ
SGMII SFP SNAP12¹âÄ£¿é Ô²ÐÎÅþÁ¬Æ÷ ˼¿ÆX2¹âÄ£¿é °²»ª¸ßAvago QSFP28 ¹âÄ£¿é PM Faraday mirror ÌØÊâÌÖÂÛϵÁÐ
Video SFP¹âÄ£¿é USOT¹âÄ£¿é ¾ØÐεçÅþÁ¬Æ÷ ˼¿ÆXENPAK¹âÄ£¿é °²»ª¸ßAvago QSFP+¹âÄ£¿é PM Fiber mirror îø×°ÏµÁÐ
Copper SFP X2¹âÄ£¿é ÌØÖÖ¹âÏ˹âÀ »ªÈý¹âÄ£¿é °²»ª¸ßAvago SNAP12¹âÄ£¿é PM Filter Coupler ¹âñîºÏÆ÷Coupler
µÍ¹¦ºÄSFP Xenpak¹âÄ£¿é ÌØÖÖ¹âÏË »ªÈýSFP °²»ª¸ßAvago ÆäËû¹âÄ£¿é PM Fused Coupler ƤÏËÌøÏßϵÁÐ
SFP+¹âÄ£¿é ¹âµç±àÂëÆ÷Ä£¿é ¹âÏËÆ÷¼þ »ªÈýSFP+ °²»ª¸ß Embedded¹âÄ£¿é PM FWDM ´óоÊýϵÁÐ
CWDM SFP+ ¹âÄ£¿é²âÊÔ°å ÌØÖÖ¹âÀ¼°¹âÀÂ×é¼þ »ªÈýSFP28 ¹âÄ£¿é °²»ª¸ßFiber Optics¹âÄ£¿é PM Isolator »ØÂ·ÌøÏßϵÁÐ
DWDM SFP+ ¹âÄ£¿éÁý×Ó×ù×Ó ¹âź »ªÈýQSFP+¹âÄ£¿é Industrial Transmitters and Receivers PM Isolator WDM ±£Æ«¹âÏËϵÁÐ
BIDI SFP+ DAC ¸ßËÙÏßÀ ±ê×¼¹âñî »ªÈýQSFP28 ¹âÄ£¿é Optical Transceivers PM PLC ¹âͨѶ×é¼þ
Tunable SFP+ ¹âÏË»¬»·|¹âµç»¬»· SMA²âÊÔÏßÀ »ªÈý CFP¹âÄ£¿é ·Éͨ¹âÄ£¿é PM Tap Isolator ¹â¸ôÀëÆ÷isolator
16GFC SFP+ ¹âÀ³µ OSA »ªÈý CXP¹âÄ£¿é Finisar¹âÄ£¿é PM Tap Isolator WDM ÆäËü¹âÆ÷¼þ
25GE SFP+ ¾üÆ·¼¶DIN¹âÄ£¿é PON BOSA »ªÈý CX4¸ßËÙµçÀ ·ÆÄáÈøFinisar SFF¹âÄ£¿é PM VOA ¿Éµ÷Â˲¨Æ÷
32GFC SFP+ ËÜÁϹâÏËÄ£¿é Pigtailed PD »ªÈýXFP yellobrik SDI¹âÄ£¿é ÆäËü±£Æ«Æ÷¼þ ¿Éµ÷Ë¥¼õÆ÷
SFP28¹âÄ£¿é Ìæ»»°²»ª¸ß¹¤ÒµµçÁ¦¹âÄ£¿é RFoG BOSA »ªÈýGE SFP ÂÞ¿ËΤ¶ûAB¹âÄ£¿é ¹â·Ö·Æ÷ À­×¶ñîºÏÆ÷
SFP56¹âÄ£¿é ¼æÈݹú²ú»¯Ìæ»»°²»ª¸ß¹âñî TO-CAN »ªÈýFE SFP Â޽ܿµ¹âÄ£¿é FBTÀ­×¶·Ö·Æ÷ ÎÞÔ´¹âÆ÷¼þ
SFP-DD¹âÄ£¿é É䯵¹âÄ£¿é ¹âÏËζȴ«¸ÐÆ÷ »ªÈýSFP STM-4 ÑлªAdvantech¹âÄ£¿é PLC ¹â·Ö·Æ÷ ·¨À­µÚÐýת¾µ
QSFP¹âÄ£¿é ΢ÐͶà·¹âÄ£¿é ¹âÏËÓ¦±ä´«¸ÐÆ÷ »ªÈýSFP STM-16 Ììϲú»¯¹âÆ÷¼þ PLCÆ½Ãæ²¨µ¼¹â·Ö·Æ÷ ²¨·Ö¸´ÓÃÆ÷
QSFP+ ¹âÄ£¿é ÌØÖÖ¹âÄ£¿é ¹âÏ˼ÓËÙÂÊ´«¸ÐÆ÷ »ªÈýGBIC¹âÄ£¿é FT-XSϵÁР¹ú²ú»¯°ëµ¼Ìå¹â·Å´óÆ÷ ¹â¿ª¹Ø AWG DWDM²¨·Ö¸´ÓÃÆ÷
QSFP28¹âÄ£¿é HPC²¢ÐйâÄ£¿é ¹âÏßѹÁ¦´«¸ÐÆ÷ »ªÈýBIDI¹âÄ£¿é ¹âÏËÕóÁÐϵÁР̽²âÆ÷ Fused WDM²¨·Ö¸´ÓÃÆ÷
QSFP56¹âÄ£¿é LC-RJ³¬Ð¡Ð͵¥Â·¹âÄ£¿é ¹âÏËÎ»ÒÆ´«¸ÐÆ÷ »ªÈýXENPAK¹âÄ£¿é ¸ßËÙÄ£¿é΢ÅþÁ¬ ¹â¹¦ÂÊ¼Æ FWDM²¨·Ö¸´ÓÃÆ÷
QSFP112 400G¹âÄ£¿é LCC48¹âÄ£¿é ¹âÏËÓ¦Á¦´«¸ÐÆ÷ »ªÈýEPON OLT SFP Ïà¹ØÍ¨Ñ¶¹âÅþÁ¬ È«¹âÏËÏàλÀ­ÉìÆ÷ Mini΢ÐÍ´Ö²¨·Ö¸´ÓÃÆ÷
QSFP224¹âÄ£¿é LC³¬¶ÌÐ͹âÄ£¿é ¹âÏË´«¸ÐÆÊÎöÒÇ Öк½¹âµç¹âÄ£¿é ¹è¹â×ÓÆ÷¼þ¹âÁ´½Ó ¹âÏË×¼Ö±Æ÷ ¹â·Ö²å¸´ÓÃÆ÷
QSFP-DD¹âÄ£¿é SNAP12¹âÄ£¿é ¹âÏËÂþÑÜʽ²âÎÂÖ÷»ú ÖÐÐ˹âÄ£¿é Bio-Medical Equipment ¹âË¥¼õÆ÷ϵÁÐ ÆäËüÖÖÀನ·Ö¸´ÓÃÆ÷²úƷϵÁÐ
QSFP-DD800¹âÄ£¿é ΢Ð͹âÄ£¿é ¹âÏ˲¼ÀïÔ¨ÐźŽâµ÷ÒÇ Èñ½Ý¹âÄ£¿é Components for Fiber Laser ¹âÆ«Õñ¿ØÖÆÆ÷ ÷缯²¨·Ö¸´ÓÃÆ÷
OSFP 400Gbps ΢ÐͿɲå°ÎBGA¹âÄ£¿é ÂþÑÜʽ¹âÏËÉùÕñÐźŽâµ÷ÒÇ »ÝÆÕ¹âÄ£¿é Components for Fiber sensing ¹âÔ´ ´Ö²¨·Ö¸´ÓÃÆ÷
OSFP 800G¹âÄ£¿é ±íÌùʽµ¥Â·¹âÄ£¿é Camera Link ÉñÖÝÊýÂë¹âÄ£¿é Components for Optical Network ¹â»·ÐÐÆ÷Circulator WDMÄ£¿é
OSFP 1.6T¹âÄ£¿é ÌØÖÖ¹âÏËÅþÁ¬Æ÷ ¹âÄ£¿é֪ʶ Juniper¹âÄ£¿é EDFA¹âÏË·Å´óÆ÷ ¹âÏËÑÓ³ÙÏß Â˲¨Æ÷
HSFP 1.6T~12.8T¹âÄ£¿é J599¹âÏ˲åÍ·²å×ù »ªÎª¹âÄ£¿é Extreme¹âÄ£¿é ¹âÏË´«¸ÐÆ÷ ɫɢÅ⳥ģ¿é µûÐμ¤¹âÆ÷
XFP¹âÄ£¿é ODC¹âÏËÅþÁ¬Æ÷ϵÁÐ »ªÎªGE SFP Brocade¹âÄ£¿é High power Component ¹âÏË·Å´óÆ÷ ¹âñîºÏÆ÷&·Ö·Æ÷
CWDM XFP ÆäËûÌØÖÖ¹âÏËÅþÁ¬Æ÷ »ªÎªQSFP+¹âÄ£¿é D-Link¹âÄ£¿é HP In-line Polarizer ÎÞÔ´´«Êäת»»Æ÷ ¹âÏË»·ÐÎÆ÷&·¨À­µÚÐýת¾µ
DWDM XFP Ò°Õ½¹âÏËÅþÁ¬Æ÷ »ªÎªSFP+ ºÕ˼Âü¹âÄ£¿é HP Isolator ¹âÏ˼¤¹âÆ÷ ¹âÏ˸ôÀëÆ÷&²¨·Ö¸´ÓÃÆ÷
BIDI XFP ÌØÖÖ¹âµçÅþÁ¬Æ÷ »ªÎªQSFP28 °¢¶û¿¨ÌØÀÊѶ¹âÄ£¿é HP PBC/S ¹âµ÷ÖÆÆ÷ ¹âÏË·ÖÊøÆ÷&ºÏÊøÆ÷£¨PBS/PBC£©
1x9¹âÄ£¿é J599IIIÆéá«Æµ»ì×°ÅþÁ¬Æ÷ »ªÎªFE SFP Allied Telesis¹âÄ£¿é Pump Combiner ¹âµç̽²âÆ÷ ¹âÏ˹âÕ¤
CSFP¹âÄ£¿é NGC¹âÏËÅþÁ¬Æ÷ »ªÎªXFP Foundry¹âÄ£¿é HP Circulator ¹âÏËÆ«Õñ ¸ßËÙÏßÀÂ
CSFP+10G¹âÄ£¿é J599A6¹âÏËÅþÁ¬Æ÷ »ªÎªSFP OC12 Force10¹âÄ£¿é Pump laser protector ¹âÏËÂ˲¨Æ÷
CXP¹âÄ£¿é GYMB¹âÏËÅþÁ¬Æ÷ »ªÎªGBIC¹âÄ£¿é Blade¹âÄ£¿é Hybrid for EDFA ͬÖἤ¹âÆ÷
CFP¹âÄ£¿é J599III¹âµçÅþÁ¬Æ÷ »ªÎªSFP STM16 Linksys¹âÄ£¿é Test Equipment & Others ͬÖáµçÀÂ

028-85255257 | sales@f-tone.com

±ê׼ЭÒé¹âÄ£¿é²úÆ·

¼æÈÝЭÒé¹âÄ£¿é

ÆäËüÖÖÀà¹âÆ÷¼þ

ÊÖÒÕÖ§³Ö

¡¾ÍøÕ¾µØÍ¼¡¿¡¾sitemap¡¿