
ÐÎò
beat365»ùÓÚ¹âÏË·¨²¼Àï-çêÂÞÇ»ÊÖÒյĹâÏ˿ɵ÷гÂ˲¨Æ÷ͨ¹ý¸Ä±ä´«Êä¼ä϶À´É¨Ãè C+L ²¨¶ÎµÄ²¨³¤¡£¸Ã²úÆ·¾ßÓеÍÏûºÄ¡¢¸ßÇø·ÖÂʺͿí¹âÆ×¹æÄ£µÄÓÅÒìÐÔÄÜ¡£ËüÒ×ÓÚ¿ØÖÆ£¬Ö÷ÒªÓÃÓÚ¹âÏ˹âÕ¤´«¸ÐÆ÷½âµ÷ϵͳ¡£
ÌØÕ÷
¡ñ ¸ßÇø·ÖÂÊ¡¢¸ß¾«¶È¹âÆ×
¡ñ ¿í¶¯Ì¬¹æÄ£
¡ñ µÍÏûºÄÉè¼Æ
¡ñ ÓÅÒìµÄÈÈÎȹÌÐÔ
¡ñ ¿¹¹¥»÷ºÍÕñ¶¯
¡ñ Ìå»ýС
ÌØÕ÷
|
¹æÄ£ |
µ¥Î» |
¼ÛÖµ |
|
²¨³¤¹æÄ£ |
|
C+L²¨¶Î |
|
ÀàÐÍ¡£´ø¿í@ 3 dB |
ÄÉÃ× |
0.25 |
|
ÀàÐÍ¡£×ÔÓɹâÆ×¹æÄ£ |
ÄÉÃ× |
90 |
|
ÀàÐÍ¡£Ï¸¶È |
|
400 |
|
×î´ó¿Éµ÷ƵÂÊ |
ºÕ×È |
100 |
|
×î´óËðʧ·åÖµ |
D b |
3 |
|
×î´óÆ«ÕñÏà¹ØÏûºÄ |
D b |
0.3 |
|
×î´óÊÂÇ鹦ÂÊ(CW) |
Õ×Íß |
50 |
|
ÏËάÀàÐÍ |
|
SMF-28ÏËά |
|
ÏËά³¤¶È |
Ã× |
1 |
|
×î´ó¿Éµ÷µçѹ/FSR |
v |
25 |
|
¸ºÎ¶ÈϵÊýÈÈÃôµç×è |
|
|
|
µç×裨25 ¡æ £© |
ǧŷ |
100 |
|
BÖµ£¨25 ¡æºÍ50 ¡æ×迹£© |
|
3950 |
|
ÊÂÇéζȹæÄ£ |
¡æ |
0 µ½ + 70 |
|
Öü´æÎ¶ȹæÄ£ |
¡æ |
-40 µ½ +80 |
|
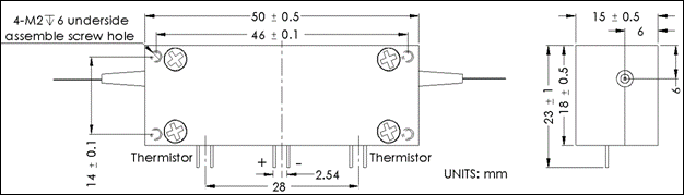
°ü¹ü |
ºÁÃ× |
15 x 18 x 50 |
|
SMSR |
D b |
20 |
*ÿ¶ÔÌØÁíÍâ´¥µã¶¼»áÔöÌí 0.3 dB µÄ²åÈëÏûºÄ¡£
¹âÆ×
°ü×°
Important Notice
Performance figures, data and any illustrative material provided in this data sheet are typical and must be specifically confirmed in writing by F-tone Networks before they become applicable to any particular order or contract. In accordance with the F-tone Networks policy of continuous improvement specifications may change without notice.
The publication of information in this data sheet does not imply freedom from patent or other protective rights of F-tone Networks or others. Further details are available from any F-tone Networks sales representative.