
LC 155M T1310nmR1550nm BOSA
Features
¡ñ High-stability 1310nm DFB laser
¡ñ Built-in InGaAsP monitor photodiode
¡ñ Low threshold
¡ñ High reliability
¡ñ 1.25G Pin TIA
¡ñ Small ball lens
¡ñ LC Receptalce
Applications
¡ñ Optical communication system
Parameter Ratings Unit Conditions
|
Parameter |
Ratings |
Unit |
Conditions |
|
Laser diode forward curren |
100 |
mA |
If(LD) |
|
Laser diode reverse voltage |
2 |
V |
Vr(LD) |
|
Working current of LD backlight detector |
2 |
mA |
If(PD) |
|
Reverse voltage of LD backlight detector |
20 |
V |
Vr(PD) |
|
Working temperature |
-40~+85 |
¡æ |
Top |
|
Storage temperature |
-40~+85 |
¡æ |
Tst |
|
Lead welding temperature / time |
260/10 |
¡æ/S |
- |
Electrical and optical characteristics
|
Parameter |
Symbol |
Condition |
Min |
Typ |
Max |
Unit |
|
Rated power |
Pout |
Iop=Ith+20mA,T=25¡æ |
200 |
- |
600 |
uW |
|
Forward Voltage |
VF |
TC =25¡æ |
|
1.2 |
1.5 |
V |
|
Threshold current |
Ith |
Iop=Ith+20mA,T=25¡æ |
- |
- |
15 |
mA |
|
Central wavelength |
λp |
Iop=Ith+20mA,T=25¡æ |
1290 |
1310 |
1330 |
nm |
|
Spectral width |
Δλ |
Iop=Ith+20mA,T=0~70¡æ |
- |
- |
3 |
nm |
|
Monitor Current |
IM |
CW, Iop=Ith+20mA; |
100 |
- |
1000 |
uA |
|
Side mode suppression ratio |
SMSR |
CW, Iop=Ith+20mA |
30 |
--- |
--- |
dB |
|
Rise / Fall Time (20%~80%) |
Tr/ Tf
|
Ib= Ith +15mA
|
--- |
-- |
0.2
|
ns
|
|
Detector dark current |
Id |
CW |
- |
- |
100 |
nA |
|
Tracking error |
TE |
Iop=Ith+20mA,T=-40~+85¡æ |
-1.5 |
- |
1.5 |
dB |
Receiver Optical and Electrical Characteristics
|
Parameter |
Symbol |
Condition |
Min |
Typ |
Max |
Unit |
|
Reciving Wavelength |
λ |
CW |
1520 |
1550 |
1580 |
nm |
|
Sensitivity |
Pmin |
Tc=0~70¡æ (BER=10-12@155Mb/s) |
- |
- |
-33 |
dBm |
|
Saturated power |
Pmax |
0 |
- |
- |
dBm |
|
|
Responsibility |
Res |
|
- |
0.8 |
- |
A/W |
|
Supply Voltage |
Vcc |
|
3.0 |
3.3 |
3.6 |
V |
|
Supply Current |
Icc |
|
- |
- |
40 |
mA |
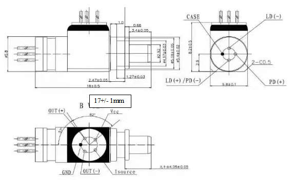
Series Outline And Dimension Drawings

Model£ºFT-A2-GF20-LC3155
±¾²úƷΪFT-A2ϵÁУ¬½öչʾ²¿·Ö²ÎÊý£¬ÈôÓÐÐèÒª£¬ÇëÁªÏµbeat365¡£
Important Notice
Performance figures, data and any illustrative material provided in this data sheet are typical and must be specifically confirmed in writing by F-tone Networks before they become applicable to any particular order or contract. In accordance with the F-tone Networks policy of continuous improvement specifications may change without notice.
The publication of information in this data sheet does not imply freedom from patent or other protective rights of F-tone Networks or others. Further details are available from any F-tone Networks sales representative.