beat365

±ê×¼¹âÄ£¿é

SFF 2X5¹âÄ£¿é,BIDI,Tx1550/Rx1310,155M,40km

SFF 2X5¹âÄ£¿é,BIDI,Tx1550/Rx1310,155M,40km

0.0/5 rating (0 votes)

Description

SFF 2X5¹âÄ£¿é,BIDI,Tx1550/Rx1310,155M,40km

²úÆ·ÐÎò
¡ñ ´¿¹ú²úÁ㲿¼þ
¡ñ ´«Êä¾àÀë¿É´ï40km
¡ñ µ¥µçÔ´¹©µç£¨3.3V£©
¡ñ 2x5 SFF·â×° SC ½Ó¿Ú
¡ñ ²î·ÖCMLÐźÅÊäÈëÓëÊä³ö
¡ñ SDÊä³öΪLVTTLÐźÅ
¡ñ ÊÂÇéζȣº -40 ¡æto 85¡æ
¡ñ ÇкϹú¼ÊÇå¾²±ê×¼IEC-60825£¨Class 1 Laser £©

²úÆ·Ó¦ÓÃ
¡ñ ¹âÏËͨѶÁ´Â·

¼«ÏÞÌõ¼þ

²ÎÊý

·ûºÅ

×îСֵ

×î´óÖµ

µ¥Î»

±¸×¢

Öü´æÎ¶È

Ts

-40

85

¡æ

-

ÊÂÇéµçѹ

Vcc

-0.5

4.0

V

-

º¸½ÓζÈ

-

-

260

¡æ

º¸½Óʱ¼ä²»Áè¼Ý10Ãë

ÊäÈëµçѹ

Vin

GND

Vcc

V

-

ÍÆ¼öÌõ¼þ

²ÎÊý

·ûºÅ

×îСֵ

µä·¶Öµ

×î´óÖµ

µ¥Î»

ÊÂÇéµçѹ

Vcc

3.1

3.3

3.5

V

ÊÂÇéζÈ

¹¤Òµ¼¶

-40

-

85

¡æ

ÊÂÇéËÙÂÊ

-

-

155

-

Mbps

ÊÂÇéµçÁ÷

Icc

-

-

300

·¢Éä²ÎÊý ( 3.1V < Vcc < 3.5V)

²ÎÊý

·ûºÅ

×îСֵ

µä·¶Öµ

×î´óÖµ

µ¥Î»

¹âѧ²ÎÊý

¹â¹¦ÂÊ

Po(1310TX/1550RX)

-8

-

0

dBm

Po(1550TX/1310RX)

-8

-

0

²¨³¤

¦ËC(1310TX/1550RX)

1270

1310

1350

nm

¦ËC(1550TX/1310RX)

1510

1550

1590

Êä³öÆ×¿í

¦¤¦Ë

-

-

4

nm(RMS)

Ïû¹â±È

ER

10

-

1

dB

µçѧ²ÎÊý

²î·ÖÊäÈëµçѹ

Vdiff_in

200

-

1000

mV

·¢ÉäʹÄÜÊäÈëµçѹ

Disable

2

-

VCC

V

Enable

0

-

0.8

V

ÎüÊÕ²ÎÊý

²ÎÊý

·ûºÅ

×îСֵ

µä·¶Öµ

×î´óÖµ

µ¥Î»

±¸×¢

¹âѧ²ÎÊý

ѸËÙ¶È

Sen

-

-

-34

dBm

1

±¥ºÍ

PMAX

-3

-

-

dBm

£¨»Ö¸´£©Signal Detect -- Asserted

Pa

-

-

-35

dBm

£¨¹Ø¶Ï£©Signal Detect -- Deasserted

Pd

-50

-

-

dBm

£¨Öͻأ©Signal Detect -- Hysteresis

Phys

1

-

4

dB

ÖÐÐIJ¨³¤

¦Ë(1310TX/1550RX)

1500

1550

1600

nm

¦Ë(1550TX/1310RX)

1260

1310

1360

µçѧ²ÎÊý

²î·ÖÊä³öµçѹ

Vdiff_out

300

-

800

mV

ÎüÊÕSDָʾµçѹ

Normal

2.0

-

Vcc

V

LOS

0

-

0.8

V

±¸×¢£º1.²âÊÔֵΪƽ¾ù¹â¹¦ÂÊ£»BER < 10-12, PRBS 231 -1£»

Òý½Å½ç˵

ÐòºÅ

Ãû³Æ

ÊäÈë/Êä³öÀàÐÍ

ÐÎò

1

RX_VEE

ÊäÈë

ÎüÊÕµØ

2

RX_VCC

ÊäÈë

+3.3V ÎüÊÕµçÔ´

3

SD

Êä³ö

ÎüÊÕָʾ£¬¸ßµçƽ´ú±íÎüÊÕµ½ÐźÅ£¬µÍµçƽ´ú±íδÎüÊÕµ½ÐźÅ£¬ ÐÅºÅµçÆ½Îª LVTTL £¬Ä£¿éÒÑÄÚÖÃÉÏÀ­µç×è¡£

4

RD-

Êä³ö

ÎüÊÕ·´ÏòÊä³ö¶Ë£¬½»Á÷ñîºÏ,CML µçƽÊä³ö

5

RD+

Êä³ö

ÎüÊÕÕýÏòÊä³ö¶Ë£¬½»Á÷ñîºÏ,CML µçƽÊä³ö

6

TX_VCC

ÊäÈë

+3.3V ·¢ÉäµçÔ´

7

TX_VEE

ÊäÈë

·¢É䵨

8

Tx_Dis

ÊäÈë

·¢ÉäʹÄÜ£¬Ä£¿éÒÑÄÚÖÃÉÏÀ­µç×裬ÐÅºÅµçÆ½ÎªLVTTL,Æä״̬Ϊ£º µÍ£º·¢Éä·­¿ª

¸ß£º·¢É乨±Õ

9

TD+

ÊäÈë

·¢ÉäÕýÏòÊäÈë¶Ë£¬½»Á÷ñîºÏ,CML µçƽÊäÈë

10

TD-

ÊäÈë

·¢Éä·´ÏòÊäÈë¶Ë£¬½»Á÷ñîºÏ,CML µçƽÊäÈë

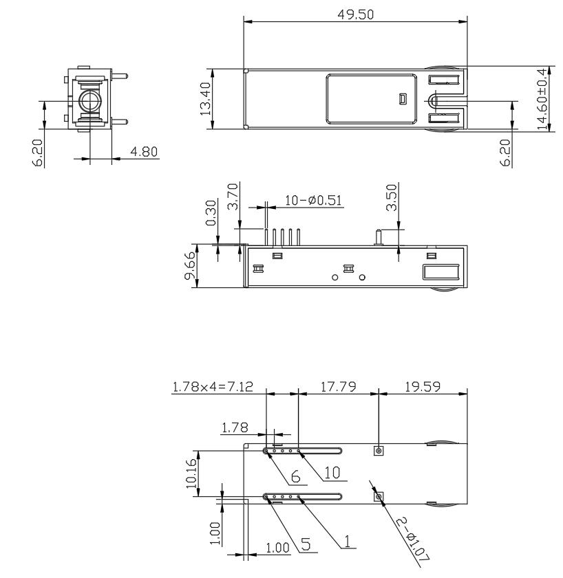
²úÆ·³ß´ç25.4.2 4

¶©¹ºÐëÖª

²úÆ·ÐͺÅ

½Ó¿Ú

ËÙÂÊ (Mb/s)

¾àÀë (Km)

²¨³¤ (nm)

·¢É书ÂÊ (dBm)

ÎüÊÕѸËÙ¶È

(dBm)

ÊÂÇéζÈ(¡æ)

FTAF-B1303-40I-GC

SC

155

40

TX1310FP/RX1550

-8 to 0

-34

-40~85

FTAF-B1503-40I-GC

SC

155

40

TX1550DFB/RX1310

-8 to 0

-34

-40~85

×¢£º¡°GC¡±´ú±íÌìϲú

 

 

 

 

 

 

 

×¢£º±¾²úÆ·ÓÐÌìϲú»¯ÐͺſÉÑ¡
±¾²úÆ·½öչʾ²¿·Ö²ÎÊý£¬ÈôÓÐÐèÒª£¬ÇëÁªÏµbeat365¡£

beat365 | F-tone Networks
ÆóÒµÓÊÏ䣺sales@f-tone.com
ÆóÒµÍøÕ¾£ºwww.f-tone.com
ÆóÒµÍøÕ¾£ºwww.sfpgmk.com
ÆóÒµµç»°£º028-85255257
ÆóÒµ´«Õ棺028-85977702

Important Notice

Performance figures, data and any illustrative material provided in this data sheet are typical and must be specifically confirmed in writing by F-tone Networks before they become applicable to any particular order or contract. In accordance with the F-tone Networks policy of continuous improvement specifications may change without notice.

The publication of information in this data sheet does not imply freedom from patent or other protective rights of F-tone Networks or others. Further details are available from any F-tone Networks sales representative.

Ììϲú»¯¹âÄ£¿é CFP2¹âÄ£¿é JYSK¹âÏËÅþÁ¬Æ÷ ˼¿Æ¹âÄ£¿é Marconi¹âÄ£¿é Test Equipment & Others ¹âÏË·¨À¼ÊÊÅäÆ÷
SFPÌìϲú¹âÄ£¿é CFP4¹âÄ£¿é J599IIIµçÅþÁ¬Æ÷ ˼¿ÆFE SFP ²©´ï¹âÄ£¿é ±£Æ«¹âÆ÷¼þ ¹âÏËÌøÏß&βÏË
1x9Ììϲú¹âÄ£¿é CFP8 400Gbps S6¾ØÐÎÅþÁ¬Æ÷ ˼¿ÆSFP+¹âÄ£¿é Íø¼þ¹âÄ£¿é In-line Depolarizer FTTAÀ­Ô¶»ùÕ¾¹âÏËÌøÏß
ÌØÖÖ¹âÄ£¿é CDFP 400Gbps S7¾ØÐÎÅþÁ¬Æ÷ ˼¿ÆXFP¹âÄ£¿é Nortel¹âÄ£¿é In-line Polarizer MPO/MTP¸ßÃܶÈϵÁÐ
25G~400G¸ßËÙ¹âÄ£¿é MicroQSFP¹âÄ£¿é GYM¹âÏËÅþÁ¬Æ÷ ˼¿ÆCFP¹âÄ£¿é Moxa¹âÄ£¿é IPBC/S ¾üÓÃÒ°Õ½·ÀË®¹âÏËÌøÏß
200km³¬³¤¾à¹âÄ£¿é DSFP¹âÄ£¿é J599III¹âÏËÅþÁ¬Æ÷ ˼¿ÆQSFP-DD ¹âÄ£¿é º£¿µÍþÊÓHIKVISION¹âÄ£¿é PBC/S ÌØÖÖ¹âÏ˹âÀÂ
5GÒÆ¶¯Í¨Ñ¶¹âÄ£¿é FT-61¹âÄ£¿é Ë®ÃܹâÀÂÅþÁ¬Æ÷ ˼¿ÆQSFP+¹âÄ£¿é McAfee¹âÄ£¿é PM BPF ÌØÖÖÏßÀÂ×é¼þ
SFP¹âÄ£¿é OLT¹âÄ£¿é ¹âÏËÅþÁ¬Æ÷ת½ÓÆ÷ ˼¿ÆGE SFP SMCÖǰî¹âÄ£¿é PM Circulator ͨÓùâÀ¹âÏËÌøÏß
1.25G SFP ONU¹âÄ£¿é FT-A4ϵÁÐÅþÁ¬Æ÷ ˼¿ÆSFP OC3 °²»ª¸ßAvago¹âÄ£¿é PM Collimator MXC? ¶àо¹âÀÂ×é¼þ
CWDM SFP PLCC¹âÄ£¿é USB¹âÏËÑÓÉìÏß Ë¼¿ÆSFP OC12 °²»ª¸ßAvago 1x9¹âÄ£¿é PM Coupler PRIZM? LIGHTTURN?×é¼þ
DWDM SFP RJ¹âÄ£¿é HDMI ˼¿ÆSFP OC48 °²»ª¸ßAvago SFF¹âÄ£¿é PM CWDM ¹âÏË»úÏä
BIDI-SFP SFF¹âÄ£¿é ÌØÖÖµçÅþÁ¬Æ÷ ˼¿ÆGBIC¹âÄ£¿é °²»ª¸ßAvago SFP¹âÄ£¿é PM DWDM SMA-ÌØÊâÏËоϵÁÐ
SGMII SFP SNAP12¹âÄ£¿é Ô²ÐÎÅþÁ¬Æ÷ ˼¿ÆX2¹âÄ£¿é °²»ª¸ßAvago QSFP28 ¹âÄ£¿é PM Faraday mirror ÌØÊâÌÖÂÛϵÁÐ
Video SFP¹âÄ£¿é USOT¹âÄ£¿é ¾ØÐεçÅþÁ¬Æ÷ ˼¿ÆXENPAK¹âÄ£¿é °²»ª¸ßAvago QSFP+¹âÄ£¿é PM Fiber mirror îø×°ÏµÁÐ
Copper SFP X2¹âÄ£¿é ÌØÖÖ¹âÏ˹âÀ »ªÈý¹âÄ£¿é °²»ª¸ßAvago SNAP12¹âÄ£¿é PM Filter Coupler ¹âñîºÏÆ÷Coupler
µÍ¹¦ºÄSFP Xenpak¹âÄ£¿é ÌØÖÖ¹âÏË »ªÈýSFP °²»ª¸ßAvago ÆäËû¹âÄ£¿é PM Fused Coupler ƤÏËÌøÏßϵÁÐ
SFP+¹âÄ£¿é ¹âµç±àÂëÆ÷Ä£¿é ¹âÏËÆ÷¼þ »ªÈýSFP+ °²»ª¸ß Embedded¹âÄ£¿é PM FWDM ´óоÊýϵÁÐ
CWDM SFP+ ¹âÄ£¿é²âÊÔ°å ÌØÖÖ¹âÀ¼°¹âÀÂ×é¼þ »ªÈýSFP28 ¹âÄ£¿é °²»ª¸ßFiber Optics¹âÄ£¿é PM Isolator »ØÂ·ÌøÏßϵÁÐ
DWDM SFP+ ¹âÄ£¿éÁý×Ó×ù×Ó ¹âź »ªÈýQSFP+¹âÄ£¿é Industrial Transmitters and Receivers PM Isolator WDM ±£Æ«¹âÏËϵÁÐ
BIDI SFP+ DAC ¸ßËÙÏßÀ ±ê×¼¹âñî »ªÈýQSFP28 ¹âÄ£¿é Optical Transceivers PM PLC ¹âͨѶ×é¼þ
Tunable SFP+ ¹âÏË»¬»·|¹âµç»¬»· SMA²âÊÔÏßÀ »ªÈý CFP¹âÄ£¿é ·Éͨ¹âÄ£¿é PM Tap Isolator ¹â¸ôÀëÆ÷isolator
16GFC SFP+ ¹âÀ³µ OSA »ªÈý CXP¹âÄ£¿é Finisar¹âÄ£¿é PM Tap Isolator WDM ÆäËü¹âÆ÷¼þ
25GE SFP+ ¾üÆ·¼¶DIN¹âÄ£¿é PON BOSA »ªÈý CX4¸ßËÙµçÀ ·ÆÄáÈøFinisar SFF¹âÄ£¿é PM VOA ¿Éµ÷Â˲¨Æ÷
32GFC SFP+ ËÜÁϹâÏËÄ£¿é Pigtailed PD »ªÈýXFP yellobrik SDI¹âÄ£¿é ÆäËü±£Æ«Æ÷¼þ ¿Éµ÷Ë¥¼õÆ÷
SFP28¹âÄ£¿é Ìæ»»°²»ª¸ß¹¤ÒµµçÁ¦¹âÄ£¿é RFoG BOSA »ªÈýGE SFP ÂÞ¿ËΤ¶ûAB¹âÄ£¿é ¹â·Ö·Æ÷ À­×¶ñîºÏÆ÷
SFP56¹âÄ£¿é ¼æÈݹú²ú»¯Ìæ»»°²»ª¸ß¹âñî TO-CAN »ªÈýFE SFP Â޽ܿµ¹âÄ£¿é FBTÀ­×¶·Ö·Æ÷ ÎÞÔ´¹âÆ÷¼þ
SFP-DD¹âÄ£¿é É䯵¹âÄ£¿é ¹âÏËζȴ«¸ÐÆ÷ »ªÈýSFP STM-4 ÑлªAdvantech¹âÄ£¿é PLC ¹â·Ö·Æ÷ ·¨À­µÚÐýת¾µ
QSFP¹âÄ£¿é ΢ÐͶà·¹âÄ£¿é ¹âÏËÓ¦±ä´«¸ÐÆ÷ »ªÈýSFP STM-16 Ììϲú»¯¹âÆ÷¼þ PLCÆ½Ãæ²¨µ¼¹â·Ö·Æ÷ ²¨·Ö¸´ÓÃÆ÷
QSFP+ ¹âÄ£¿é ÌØÖÖ¹âÄ£¿é ¹âÏ˼ÓËÙÂÊ´«¸ÐÆ÷ »ªÈýGBIC¹âÄ£¿é FT-XSϵÁР¹ú²ú»¯°ëµ¼Ìå¹â·Å´óÆ÷ ¹â¿ª¹Ø AWG DWDM²¨·Ö¸´ÓÃÆ÷
QSFP28¹âÄ£¿é HPC²¢ÐйâÄ£¿é ¹âÏßѹÁ¦´«¸ÐÆ÷ »ªÈýBIDI¹âÄ£¿é ¹âÏËÕóÁÐϵÁР̽²âÆ÷ Fused WDM²¨·Ö¸´ÓÃÆ÷
QSFP56¹âÄ£¿é LC-RJ³¬Ð¡Ð͵¥Â·¹âÄ£¿é ¹âÏËÎ»ÒÆ´«¸ÐÆ÷ »ªÈýXENPAK¹âÄ£¿é ¸ßËÙÄ£¿é΢ÅþÁ¬ ¹â¹¦ÂÊ¼Æ FWDM²¨·Ö¸´ÓÃÆ÷
QSFP112 400G¹âÄ£¿é LCC48¹âÄ£¿é ¹âÏËÓ¦Á¦´«¸ÐÆ÷ »ªÈýEPON OLT SFP Ïà¹ØÍ¨Ñ¶¹âÅþÁ¬ È«¹âÏËÏàλÀ­ÉìÆ÷ Mini΢ÐÍ´Ö²¨·Ö¸´ÓÃÆ÷
QSFP224¹âÄ£¿é LC³¬¶ÌÐ͹âÄ£¿é ¹âÏË´«¸ÐÆÊÎöÒÇ Öк½¹âµç¹âÄ£¿é ¹è¹â×ÓÆ÷¼þ¹âÁ´½Ó ¹âÏË×¼Ö±Æ÷ ¹â·Ö²å¸´ÓÃÆ÷
QSFP-DD¹âÄ£¿é SNAP12¹âÄ£¿é ¹âÏËÂþÑÜʽ²âÎÂÖ÷»ú ÖÐÐ˹âÄ£¿é Bio-Medical Equipment ¹âË¥¼õÆ÷ϵÁÐ ÆäËüÖÖÀನ·Ö¸´ÓÃÆ÷²úƷϵÁÐ
QSFP-DD800¹âÄ£¿é ΢Ð͹âÄ£¿é ¹âÏ˲¼ÀïÔ¨ÐźŽâµ÷ÒÇ Èñ½Ý¹âÄ£¿é Components for Fiber Laser ¹âÆ«Õñ¿ØÖÆÆ÷ ÷缯²¨·Ö¸´ÓÃÆ÷
OSFP 400Gbps ΢ÐͿɲå°ÎBGA¹âÄ£¿é ÂþÑÜʽ¹âÏËÉùÕñÐźŽâµ÷ÒÇ »ÝÆÕ¹âÄ£¿é Components for Fiber sensing ¹âÔ´ ´Ö²¨·Ö¸´ÓÃÆ÷
OSFP 800G¹âÄ£¿é ±íÌùʽµ¥Â·¹âÄ£¿é Camera Link ÉñÖÝÊýÂë¹âÄ£¿é Components for Optical Network ¹â»·ÐÐÆ÷Circulator WDMÄ£¿é
OSFP 1.6T¹âÄ£¿é ÌØÖÖ¹âÏËÅþÁ¬Æ÷ ¹âÄ£¿é֪ʶ Juniper¹âÄ£¿é EDFA¹âÏË·Å´óÆ÷ ¹âÏËÑÓ³ÙÏß Â˲¨Æ÷
HSFP 1.6T~12.8T¹âÄ£¿é J599¹âÏ˲åÍ·²å×ù »ªÎª¹âÄ£¿é Extreme¹âÄ£¿é ¹âÏË´«¸ÐÆ÷ ɫɢÅ⳥ģ¿é µûÐμ¤¹âÆ÷
XFP¹âÄ£¿é ODC¹âÏËÅþÁ¬Æ÷ϵÁÐ »ªÎªGE SFP Brocade¹âÄ£¿é High power Component ¹âÏË·Å´óÆ÷ ¹âñîºÏÆ÷&·Ö·Æ÷
CWDM XFP ÆäËûÌØÖÖ¹âÏËÅþÁ¬Æ÷ »ªÎªQSFP+¹âÄ£¿é D-Link¹âÄ£¿é HP In-line Polarizer ÎÞÔ´´«Êäת»»Æ÷ ¹âÏË»·ÐÎÆ÷&·¨À­µÚÐýת¾µ
DWDM XFP Ò°Õ½¹âÏËÅþÁ¬Æ÷ »ªÎªSFP+ ºÕ˼Âü¹âÄ£¿é HP Isolator ¹âÏ˼¤¹âÆ÷ ¹âÏ˸ôÀëÆ÷&²¨·Ö¸´ÓÃÆ÷
BIDI XFP ÌØÖÖ¹âµçÅþÁ¬Æ÷ »ªÎªQSFP28 °¢¶û¿¨ÌØÀÊѶ¹âÄ£¿é HP PBC/S ¹âµ÷ÖÆÆ÷ ¹âÏË·ÖÊøÆ÷&ºÏÊøÆ÷£¨PBS/PBC£©
1x9¹âÄ£¿é J599IIIÆéá«Æµ»ì×°ÅþÁ¬Æ÷ »ªÎªFE SFP Allied Telesis¹âÄ£¿é Pump Combiner ¹âµç̽²âÆ÷ ¹âÏ˹âÕ¤
CSFP¹âÄ£¿é NGC¹âÏËÅþÁ¬Æ÷ »ªÎªXFP Foundry¹âÄ£¿é HP Circulator ¹âÏËÆ«Õñ ¸ßËÙÏßÀÂ
CSFP+10G¹âÄ£¿é J599A6¹âÏËÅþÁ¬Æ÷ »ªÎªSFP OC12 Force10¹âÄ£¿é Pump laser protector ¹âÏËÂ˲¨Æ÷
CXP¹âÄ£¿é GYMB¹âÏËÅþÁ¬Æ÷ »ªÎªGBIC¹âÄ£¿é Blade¹âÄ£¿é Hybrid for EDFA ͬÖἤ¹âÆ÷
CFP¹âÄ£¿é J599III¹âµçÅþÁ¬Æ÷ »ªÎªSFP STM16 Linksys¹âÄ£¿é Test Equipment & Others ͬÖáµçÀÂ

028-85255257 | sales@f-tone.com

±ê׼ЭÒé¹âÄ£¿é²úÆ·

¼æÈÝЭÒé¹âÄ£¿é

ÆäËüÖÖÀà¹âÆ÷¼þ

ÊÖÒÕÖ§³Ö

¡¾ÍøÕ¾µØÍ¼¡¿¡¾sitemap¡¿