
beat365רҵÑб¬·¢²ú:TOSA-LC 10Gbps 850nm, ÊÇÒ»¼ÒרҵµÄTOSA-LC 10Gbps 850nm³§¼Ò,¾ßÓÐÓÅÖʵÄTOSA-LC 10Gbps 850nmÆ·ÖÊ,ÓкܺõÄTOSA-LC 10Gbps 850nm¼ÛÇ®,TOSA-LC 10Gbps 850nmº£Á¿½»¸¶¸ø¹ú·À¡¢¾ü¹¤¡¢º½¿Õ¡¢º½Ìì¡¢ÎäÆ÷¡¢½¢´¬¡¢À×´ï¡¢µç×Ó¡¢ºË¹¤Òµ¡¢¾üÊ¡¢µçÁ¦¡¢Ìú·¡¢Ò½ÁÆ¡¢½»Í¨¡¢Í¨Ñ¶¡¢µçÐÅ¡¢Õþ¸®¡¢¹ú·À¿Æ¼¼¹¤ÒµÏµÍ³ÄÚ´óרԺУ¼°¿ÆÑÐÔºËù
Features:
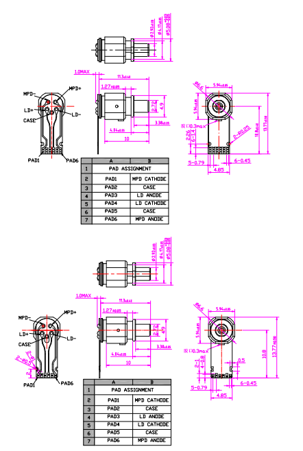
¡ñ Data rates up to 10 Gbps
¡ñ 850nm multimode emission
¡ñ -10¡æ to +85¡æ operation
¡ñ High reliability
¡ñ Integrated monitor photodiode (MPD).
¡ñ Differentially driven
¡ñ LC plastic barrel
Applications:
¡ñ High speed Data Communication
¡ñ 10Gigabit Ethernet




Important Notice
Performance figures, data and any illustrative material provided in this data sheet are typical and must be specifically confirmed in writing by F-tone Networks before they become applicable to any particular order or contract. In accordance with the F-tone Networks policy of continuous improvement specifications may change without notice.
The publication of information in this data sheet does not imply freedom from patent or other protective rights of F-tone Networks or others. Further details are available from any F-tone Networks sales representative.