
Y50EXϵÁÐÔ²ÐεçÅþÁ¬Æ÷
ÇéÐÎÐÔÄÜ:

µçÆøÐÔÄÜ:

»úеÐÔÄÜ:
±ê¼Ç¡¢´úºÅ¼°ÒâÒå:

ÐͺűÈÕÕ±í:

Y50EXÀàÔ²ÐεçÅþÁ¬Æ÷½Ó´¥¼þ×éºÏ´úºÅͼ±ê:

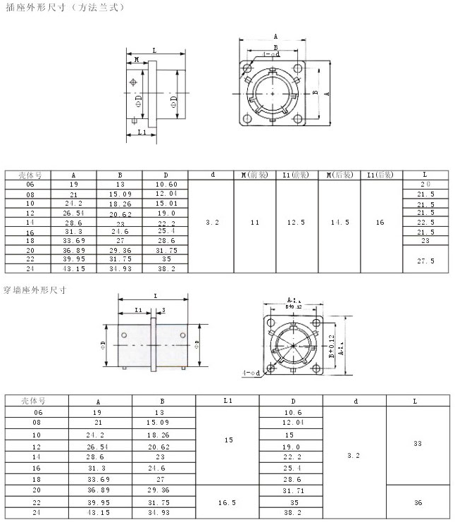
²å×ùÐÎ×´¼°×°Öóߴç:



Important Notice
Performance figures, data and any illustrative material provided in this data sheet are typical and must be specifically confirmed in writing by F-tone Networks before they become applicable to any particular order or contract. In accordance with the F-tone Networks policy of continuous improvement specifications may change without notice.
The publication of information in this data sheet does not imply freedom from patent or other protective rights of F-tone Networks or others. Further details are available from any F-tone Networks sales representative.