
Y50XϵÁÐÔ²ÐεçÅþÁ¬Æ÷
²úÆ·¼ò½é
Y50XϵÁеçÅþÁ¬Æ÷ÇкÏGJB101A-1997±ê×¼£¬²ÎÕÕÃÀ¾ü±êMIL-C-26482±ê×¼£¬ÅþÁ¬·½·¨Îª¿¨¿Úʽ¿ìËÙÁ´½ÓºÍ¿ìËÙÊèÉ¢£¬¾ßÓÐÌå»ýС¡¢ÃܶȸßÄÍÇéÐκÿɿ¿ÐԸߵÈÓŵ㣬ÆÕ±éÓ¦ÓÃÓÚº½¿Õ¡¢º½Ìì¡¢º½º£¡¢Ò°Õ½¡¢Õ½³µ¡¢¹«½»µçÁ¦¡¢ÓʵçͨѶ¡¢Ìú·ָ»ÓϵͳµÈµçÆø¼°µç×Ó×°±¸µÄÏß·ÅþÁ¬£¬²¢¿Éƾ֤Óû§ÐèÇó¸Ä×°³ÉÂ˲¨ÅþÁ¬Æ÷¡£
²úÆ·ÊÖÒÕÌØÕ÷
ʹÓÃÇéÐÎÌõ¼þÊÂÇéζȣº-55¡æ¡«+125¡æ
Ïà¶Ôʪ¶È£º40¡æ±2¡æÊ±£¬90%~95%
ÊÂÇéÆøÑ¹£º4.39kPa~101.33kPa
·À Ó꣺ÇкÏGJB101A—97ÖÐ3.6.17»®¶¨£¬°´4.6.17ÒªÁì¾ÙÐÐÊÔÑé
ÑÎÎí£ºÇкÏGJB1217A-97ÖÐ3.6.13»®¶¨£¬°´4.6.13ÒªÁì¾ÙÐÐÊÔÑé
ù¾ú£ºÇкÏGJB101A-97ÖÐ3.6.2»®¶¨£¬°´4.3.2ÒªÁì¾ÙÐÐÊÔÑé
Õñ¶¯£º10Hz~2000Hz
¼ÓËÙÂÊ196m/s²
¹¥»÷£º¼ÓËÙÂÊ980m/s²
Åöײ£º¼ÓËÙÂÊ392m/s²»úеÊÙÃü£º²å°Î¹é≥1000´Î





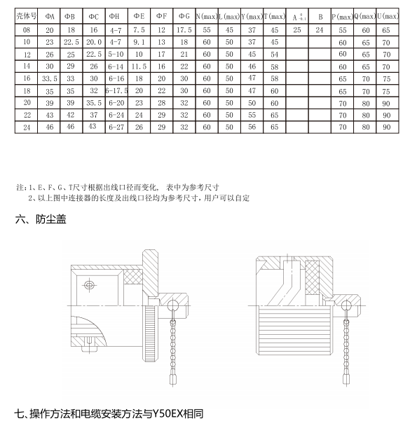
±¾²úƷΪFT-BHϵÁÐÔ²ÐεçÅþÁ¬Æ÷£¬ÈôÓÐÐèÒª£¬ÇëÁªÏµbeat365¡£
Important Notice
Performance figures, data and any illustrative material provided in this data sheet are typical and must be specifically confirmed in writing by F-tone Networks before they become applicable to any particular order or contract. In accordance with the F-tone Networks policy of continuous improvement specifications may change without notice.
The publication of information in this data sheet does not imply freedom from patent or other protective rights of F-tone Networks or others. Further details are available from any F-tone Networks sales representative.