
YF6ÐÍÔ²ÐηÀÓêÊèÉ¢µçÅþÁ¬Æ÷
¡ñ¿É×÷˲¼äµç´ÅÊèÉ¢ºÍ»úеÊèÉ¢
¡ñÅþÁ¬·½·¨ÎªÐý²å¼°Ö±²å
¡ñÊèÉ¢·½·¨Îªµç´ÅºÍ»úе½âËø,Ç¿ÖÆÊèÉ¢
¡ñ²å×ùÃÜ·â,²¢ÉèÓзÀ»ðÑæ»ú¹¹,ÄÜÔâÊܶÌʱ¼ä¸ßλðÑæ
¡ñ²úÆ·Ìå»ýС,ÖØÁ¿Çá,·ÀÓê,·À³¾
ÊÊÓùæÄ£:
YF6ÐÍÔ²ÐηÀÓêÊèÉ¢µçÅþÁ¬Æ÷ÊÊÓÃÓÚÕ½ÂÔÕ½ÊõÎäÆ÷ϵͳ¡¢º½ÌìÔËÔØÏµÍ³µÄ¼¶¼äµçÆøÏß·ÅþÁ¬ºÍϵͳÓëµØÃæ×°±¸µÄµç·ÅþÁ¬,ÒÔ¼°ÆäËü¹¤Òµ×°±¸µÄµçÆøÅþÁ¬¡£
ʹÓÃÇéÐÎÌõ¼þ:
ÊÂÇéζÈ: -40¡æ¡«125¡æ
Ïà¶Ôʪ¶È: 40¡æ±2¡æÊ±Ïà¶Ôʪ¶È90%¡«95%
ÊÂÇéÆøÑ¹: 101.3kPa¡«6.67Pa
ÕýÏÒÕñ¶¯: ƵÂÊ10Hz¡«2000Hz ¼ÓËÙÂÊ100m/s2
Ëæ»úÕñ¶¯: 0.1G2/Hz
¹¥»÷: ¼ÓËÙÂÊ735m/s2
¼ÓËÙÂÊ686m/s2£¨78о£©
¼ÓËÙÂʼÓËÙÂÊ250m/s2
¼ÓËÙÂÊ227m/s2£¨78о£©
·ÀÓê½µÓêÁ¿5mm/min
Ö÷ÒªÊÖÒÕÌØÕ÷:

»úеÊèÉ¢Á¦:29.4N¡«88.3N
µç´ÅÊèÉ¢ DC 28V±3V
ÃÜ ·â ÐÔ 0.3Mpa
0.22MPa£¨78о£©
»úеÊÙÃü 300´Î
500´Î£¨78о£©
Ö´Ðбê×¼
YF6-46£ºQ/Ag1.063.2-2007¡¶YF6-46Ô²ÐηÀÓêÊèÉ¢µçÅþÁ¬Æ÷Ïêϸ¹æ·¶¡·
YF6-57£ºZZR-Q/Ag1.063B-2000¡¶YF6ÐÍÔ²ÐηÀÓêÊèÉ¢µçÅþÁ¬Æ÷Ïêϸ¹æ·¶¡·
YF6-78£ºQ/Ag1.063.1-2003¡¶YF6£78Ô²ÐηÀÓêÊèÉ¢µçÅþÁ¬Æ÷Ïêϸ¹æ·¶¡·
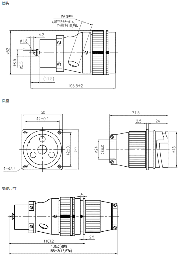
ÐÎ×´¼°×°Öóߴç:


²Ù×÷ÒªÁì:
1. ²åÍ·Óë²å×ùµÄ²åºÏÓÐÐý²åºÍÖ±²åÁ½ÖÖ¡£Ðý²åǰ,ÏÈÐýת²åÍ·ÉϵÄÅþÁ¬¿¨Ã±,ʹÆäÍâÔ²ÉÏÈýÌõ°×É«±ê¼ÇÏßÖÐí§ÒâÒ»ÌõÓë²åÍ·µçÀÂÕֵİ×É«±ê¼Ç¶ÔÆë,ÔÙÃé×¼²å×ùÉϵİ×É«±ê¼Ç½«²åÍ·²åÈë²å×ù,È»ºó˳ʱÕëת¶¯ÅþÁ¬¿¨Ã±,Ö±ÖÁÅþÁ¬¿¨Ã±ÉÏÏàÁÚµÄÁíÒ»Ìõ°×É«±ê¼ÇÏßÓë²åÍ·¡¢²å×ùÉϵİ×É«±ê¼ÇÏßÖØÐ³ÉÒ»ÌõÖ±ÏßΪֹ¡£Ö±²åÖ÷ÒªÓÃÓÚ×°ÖÿռäÏÁÕ¡¢Î´±ãÓÚÐý²å²Ù×÷µÄ³¡ºÏ,²åÊÊʱ,ÏÈʹ²åÍ·ÉÏÒÑ¶ÔÆëµÄÁ½°×É«±ê¼ÇÓë²å×ùµÄ°×É«±ê¼Ç³ÉÒ»ÌõÖ±Ïß,,½«²åÍ·²åÈë²å×ù,È»ºóÔÙÓÃÁ¦½«²åÍ·Ö±ÍÆÈë²å×ù,Ô¼ÍÆ½ø10mm,²åÍ·¡¢²å×ù¼´ËøºÏÔÚÒ»Æð²¢ÍêÈ«²åºÏµ½Î»¡£
2. ²åÍ·Óë²å×ùµÄ½âËøÊèÉ¢ÓлúеÊèÉ¢ºÍµç´ÅÊèÉ¢Á½ÖÖ¡£»úеÊèÉ¢ÊÇÔÚ²åÍ·À¸Ë¶Ë¼Ó29.4N¡«88.3NµÄÁ¦,¼´¿É½âËø¡£µç´ÅÊèÉ¢ÊÇÔÚ²å×ùµç´ÅÌúÏßȦÁ½Òý³öÏ߶˼Ó28V±3VµÄÖ±Á÷µçѹ£¨»ò4A¡«5AµÄÖ±Á÷µçÁ÷£©,¼´¿É½âËø¡£ÎÞÂÛ½ÓÄɺÎÖÖ½âËø·½·¨,½âËøºó²åÍ·¡¢²å×ù×Ôת¶¯¿ª,ʵÏÖÊèÉ¢¡£
ÐͺŹæ¸ñ
ÏÖÔÚÒÑÓйæ¸ñÆ·ÖÖÈçÏÂ: FT-75-YF6-46TJ¡¢FT-75-YF6-46ZK¡¢FT-75-YF6-57TJ¡¢FT-75-YF6-57ZK¡¢FT-75-YF6W-57TJ¡¢FT-75-YF6W-57ZK¡¢FT-75-YF6-78TJ¡¢FT-75-YF6-78ZK¡£
Important Notice
Performance figures, data and any illustrative material provided in this data sheet are typical and must be specifically confirmed in writing by F-tone Networks before they become applicable to any particular order or contract. In accordance with the F-tone Networks policy of continuous improvement specifications may change without notice.
The publication of information in this data sheet does not imply freedom from patent or other protective rights of F-tone Networks or others. Further details are available from any F-tone Networks sales representative.