beat365

²¨·Ö¸´ÓÃÆ÷

8+1CHСÐͽô´ÕÐͲ¨·Ö¸´ÓÃÆ÷

8+1CH½ô´ÕÐͲ¨·Ö¸´ÓÃÆ÷

0.0/5 rating (0 votes)

Description

 beat365רҵÑб¬·¢²ú8+1CH CCWDM,8+1CH Compact CWDM,4ͨµÀСÐÍ»¯²¨·Ö¸´ÓÃÆ÷,4ͨµÀ½ô´ÕÐͲ¨·Ö¸´ÓÃÆ÷,¹¤Òµ¼¶8+1CH CCWDM,¹¤Òµ¼¶8+1CH CCWDM,¹¤Òµ¼¶8+1CH Compact CWDM,¹¤Òµ¼¶4ͨµÀСÐÍ»¯²¨·Ö¸´ÓÃÆ÷,¹¤Òµ¼¶4ͨµÀ½ô´ÕÐͲ¨·Ö¸´ÓÃÆ÷...µÈµÈȫϵÁÐ8+1CH CCWDM Compact CWDMСÐÍ»¯/½ô´ÕÐͲ¨·Ö¸´ÓÃÆ÷¡£ÊÇÒ»¸öרҵµÄ8+1CH CCWDM³§¼Ò £¬ÓкܺõÄ8+1CH CCWDM¼ÛÇ®¡£

Free Space CCWDM--8+1 channels

Features:
Epoxy free in optical path
Stable and reliable
Compact size

Applications:
Both Add/Drop 
Telecom networks
Metro networks

CCWM

Parameters£º

Description

Unit

Min

Typical

Max.

Optional channel loss

dB

 

1.0

1.5

Pass band width

nm

13

 15

 

Flatness

dB

 

0.3

0.5

Adjacent channel isolation

dB

30

35

 

Non adjacent channel isolation

dB

40

45

 

Directivity

dB

50

   

PDL

dB

   

0.2

PMD

ps

   

0.2

Max. power

mw

300

Pass channel insertion loss

Grade P

dB

 

 1.0

1.5

Grade A

 

 1.5

2.2

Channel wavelength

nm

1471 1491 1511 1531 1551 1571 1591 1611or others on request

Operating temperature

¡ãC

0 ~+70

Storage temperature

¡ãC

-40 ~+85

Package

mm

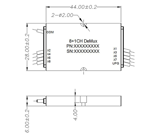
44(L)X28(W)X6(H)

Paging Dimensions :

8-1CCWDM-APP2


Order Information:

CCWDM8+1-

XXXX-

X-

X-

XX-

X-

X

 

Wavelength   

Grade 

Pigtail Type

Length 

connector  

package 

 

1471  

1491  

1611   

P   

0=bare fiber

1=900um loose tube 

2=2mm cable 

3=3mm cable

05=0.5m 

10=1.0m 

15=1.5m 

0=none 

1=FC/PC   

2=FC/APC  

3=SC/PC 

4=SC/APC

5=LC

6=Others

0=Standard

1=Special 

 

Ììϲú»¯¹âÄ£¿é CFP2¹âÄ£¿é JYSK¹âÏËÅþÁ¬Æ÷ ˼¿Æ¹âÄ£¿é Marconi¹âÄ£¿é Test Equipment & Others ¹âÏË·¨À¼ÊÊÅäÆ÷
SFPÌìϲú¹âÄ£¿é CFP4¹âÄ£¿é J599IIIµçÅþÁ¬Æ÷ ˼¿ÆFE SFP ²©´ï¹âÄ£¿é ±£Æ«¹âÆ÷¼þ ¹âÏËÌøÏß&βÏË
1x9Ììϲú¹âÄ£¿é CFP8 400Gbps S6¾ØÐÎÅþÁ¬Æ÷ ˼¿ÆSFP+¹âÄ£¿é Íø¼þ¹âÄ£¿é In-line Depolarizer FTTAÀ­Ô¶»ùÕ¾¹âÏËÌøÏß
ÌØÖÖ¹âÄ£¿é CDFP 400Gbps S7¾ØÐÎÅþÁ¬Æ÷ ˼¿ÆXFP¹âÄ£¿é Nortel¹âÄ£¿é In-line Polarizer MPO/MTP¸ßÃܶÈϵÁÐ
25G~400G¸ßËÙ¹âÄ£¿é MicroQSFP¹âÄ£¿é GYM¹âÏËÅþÁ¬Æ÷ ˼¿ÆCFP¹âÄ£¿é Moxa¹âÄ£¿é IPBC/S ¾üÓÃÒ°Õ½·ÀË®¹âÏËÌøÏß
200km³¬³¤¾à¹âÄ£¿é DSFP¹âÄ£¿é J599III¹âÏËÅþÁ¬Æ÷ ˼¿ÆQSFP-DD ¹âÄ£¿é º£¿µÍþÊÓHIKVISION¹âÄ£¿é PBC/S ÌØÖÖ¹âÏ˹âÀÂ
5GÒÆ¶¯Í¨Ñ¶¹âÄ£¿é FT-61¹âÄ£¿é Ë®ÃܹâÀÂÅþÁ¬Æ÷ ˼¿ÆQSFP+¹âÄ£¿é McAfee¹âÄ£¿é PM BPF ÌØÖÖÏßÀÂ×é¼þ
SFP¹âÄ£¿é OLT¹âÄ£¿é ¹âÏËÅþÁ¬Æ÷ת½ÓÆ÷ ˼¿ÆGE SFP SMCÖǰî¹âÄ£¿é PM Circulator ͨÓùâÀ¹âÏËÌøÏß
1.25G SFP ONU¹âÄ£¿é FT-A4ϵÁÐÅþÁ¬Æ÷ ˼¿ÆSFP OC3 °²»ª¸ßAvago¹âÄ£¿é PM Collimator MXC? ¶àо¹âÀÂ×é¼þ
CWDM SFP PLCC¹âÄ£¿é USB¹âÏËÑÓÉìÏß Ë¼¿ÆSFP OC12 °²»ª¸ßAvago 1x9¹âÄ£¿é PM Coupler PRIZM? LIGHTTURN?×é¼þ
DWDM SFP RJ¹âÄ£¿é HDMI ˼¿ÆSFP OC48 °²»ª¸ßAvago SFF¹âÄ£¿é PM CWDM ¹âÏË»úÏä
BIDI-SFP SFF¹âÄ£¿é ÌØÖÖµçÅþÁ¬Æ÷ ˼¿ÆGBIC¹âÄ£¿é °²»ª¸ßAvago SFP¹âÄ£¿é PM DWDM SMA-ÌØÊâÏËоϵÁÐ
SGMII SFP SNAP12¹âÄ£¿é Ô²ÐÎÅþÁ¬Æ÷ ˼¿ÆX2¹âÄ£¿é °²»ª¸ßAvago QSFP28 ¹âÄ£¿é PM Faraday mirror ÌØÊâÌÖÂÛϵÁÐ
Video SFP¹âÄ£¿é USOT¹âÄ£¿é ¾ØÐεçÅþÁ¬Æ÷ ˼¿ÆXENPAK¹âÄ£¿é °²»ª¸ßAvago QSFP+¹âÄ£¿é PM Fiber mirror îø×°ÏµÁÐ
Copper SFP X2¹âÄ£¿é ÌØÖÖ¹âÏ˹âÀ »ªÈý¹âÄ£¿é °²»ª¸ßAvago SNAP12¹âÄ£¿é PM Filter Coupler ¹âñîºÏÆ÷Coupler
µÍ¹¦ºÄSFP Xenpak¹âÄ£¿é ÌØÖÖ¹âÏË »ªÈýSFP °²»ª¸ßAvago ÆäËû¹âÄ£¿é PM Fused Coupler ƤÏËÌøÏßϵÁÐ
SFP+¹âÄ£¿é ¹âµç±àÂëÆ÷Ä£¿é ¹âÏËÆ÷¼þ »ªÈýSFP+ °²»ª¸ß Embedded¹âÄ£¿é PM FWDM ´óоÊýϵÁÐ
CWDM SFP+ ¹âÄ£¿é²âÊÔ°å ÌØÖÖ¹âÀ¼°¹âÀÂ×é¼þ »ªÈýSFP28 ¹âÄ£¿é °²»ª¸ßFiber Optics¹âÄ£¿é PM Isolator »ØÂ·ÌøÏßϵÁÐ
DWDM SFP+ ¹âÄ£¿éÁý×Ó×ù×Ó ¹âź »ªÈýQSFP+¹âÄ£¿é Industrial Transmitters and Receivers PM Isolator WDM ±£Æ«¹âÏËϵÁÐ
BIDI SFP+ DAC ¸ßËÙÏßÀ ±ê×¼¹âñî »ªÈýQSFP28 ¹âÄ£¿é Optical Transceivers PM PLC ¹âͨѶ×é¼þ
Tunable SFP+ ¹âÏË»¬»·|¹âµç»¬»· SMA²âÊÔÏßÀ »ªÈý CFP¹âÄ£¿é ·Éͨ¹âÄ£¿é PM Tap Isolator ¹â¸ôÀëÆ÷isolator
16GFC SFP+ ¹âÀ³µ OSA »ªÈý CXP¹âÄ£¿é Finisar¹âÄ£¿é PM Tap Isolator WDM ÆäËü¹âÆ÷¼þ
25GE SFP+ ¾üÆ·¼¶DIN¹âÄ£¿é PON BOSA »ªÈý CX4¸ßËÙµçÀ ·ÆÄáÈøFinisar SFF¹âÄ£¿é PM VOA ¿Éµ÷Â˲¨Æ÷
32GFC SFP+ ËÜÁϹâÏËÄ£¿é Pigtailed PD »ªÈýXFP yellobrik SDI¹âÄ£¿é ÆäËü±£Æ«Æ÷¼þ ¿Éµ÷Ë¥¼õÆ÷
SFP28¹âÄ£¿é Ìæ»»°²»ª¸ß¹¤ÒµµçÁ¦¹âÄ£¿é RFoG BOSA »ªÈýGE SFP ÂÞ¿ËΤ¶ûAB¹âÄ£¿é ¹â·Ö·Æ÷ À­×¶ñîºÏÆ÷
SFP56¹âÄ£¿é ¼æÈݹú²ú»¯Ìæ»»°²»ª¸ß¹âñî TO-CAN »ªÈýFE SFP Â޽ܿµ¹âÄ£¿é FBTÀ­×¶·Ö·Æ÷ ÎÞÔ´¹âÆ÷¼þ
SFP-DD¹âÄ£¿é É䯵¹âÄ£¿é ¹âÏËζȴ«¸ÐÆ÷ »ªÈýSFP STM-4 ÑлªAdvantech¹âÄ£¿é PLC ¹â·Ö·Æ÷ ·¨À­µÚÐýת¾µ
QSFP¹âÄ£¿é ΢ÐͶà·¹âÄ£¿é ¹âÏËÓ¦±ä´«¸ÐÆ÷ »ªÈýSFP STM-16 Ììϲú»¯¹âÆ÷¼þ PLCÆ½Ãæ²¨µ¼¹â·Ö·Æ÷ ²¨·Ö¸´ÓÃÆ÷
QSFP+ ¹âÄ£¿é ÌØÖÖ¹âÄ£¿é ¹âÏ˼ÓËÙÂÊ´«¸ÐÆ÷ »ªÈýGBIC¹âÄ£¿é FT-XSϵÁР¹ú²ú»¯°ëµ¼Ìå¹â·Å´óÆ÷ ¹â¿ª¹Ø AWG DWDM²¨·Ö¸´ÓÃÆ÷
QSFP28¹âÄ£¿é HPC²¢ÐйâÄ£¿é ¹âÏßѹÁ¦´«¸ÐÆ÷ »ªÈýBIDI¹âÄ£¿é ¹âÏËÕóÁÐϵÁР̽²âÆ÷ Fused WDM²¨·Ö¸´ÓÃÆ÷
QSFP56¹âÄ£¿é LC-RJ³¬Ð¡Ð͵¥Â·¹âÄ£¿é ¹âÏËÎ»ÒÆ´«¸ÐÆ÷ »ªÈýXENPAK¹âÄ£¿é ¸ßËÙÄ£¿é΢ÅþÁ¬ ¹â¹¦ÂÊ¼Æ FWDM²¨·Ö¸´ÓÃÆ÷
QSFP112 400G¹âÄ£¿é LCC48¹âÄ£¿é ¹âÏËÓ¦Á¦´«¸ÐÆ÷ »ªÈýEPON OLT SFP Ïà¹ØÍ¨Ñ¶¹âÅþÁ¬ È«¹âÏËÏàλÀ­ÉìÆ÷ Mini΢ÐÍ´Ö²¨·Ö¸´ÓÃÆ÷
QSFP224¹âÄ£¿é LC³¬¶ÌÐ͹âÄ£¿é ¹âÏË´«¸ÐÆÊÎöÒÇ Öк½¹âµç¹âÄ£¿é ¹è¹â×ÓÆ÷¼þ¹âÁ´½Ó ¹âÏË×¼Ö±Æ÷ ¹â·Ö²å¸´ÓÃÆ÷
QSFP-DD¹âÄ£¿é SNAP12¹âÄ£¿é ¹âÏËÂþÑÜʽ²âÎÂÖ÷»ú ÖÐÐ˹âÄ£¿é Bio-Medical Equipment ¹âË¥¼õÆ÷ϵÁÐ ÆäËüÖÖÀನ·Ö¸´ÓÃÆ÷²úƷϵÁÐ
QSFP-DD800¹âÄ£¿é ΢Ð͹âÄ£¿é ¹âÏ˲¼ÀïÔ¨ÐźŽâµ÷ÒÇ Èñ½Ý¹âÄ£¿é Components for Fiber Laser ¹âÆ«Õñ¿ØÖÆÆ÷ ÷缯²¨·Ö¸´ÓÃÆ÷
OSFP 400Gbps ΢ÐͿɲå°ÎBGA¹âÄ£¿é ÂþÑÜʽ¹âÏËÉùÕñÐźŽâµ÷ÒÇ »ÝÆÕ¹âÄ£¿é Components for Fiber sensing ¹âÔ´ ´Ö²¨·Ö¸´ÓÃÆ÷
OSFP 800G¹âÄ£¿é ±íÌùʽµ¥Â·¹âÄ£¿é Camera Link ÉñÖÝÊýÂë¹âÄ£¿é Components for Optical Network ¹â»·ÐÐÆ÷Circulator WDMÄ£¿é
OSFP 1.6T¹âÄ£¿é ÌØÖÖ¹âÏËÅþÁ¬Æ÷ ¹âÄ£¿é֪ʶ Juniper¹âÄ£¿é EDFA¹âÏË·Å´óÆ÷ ¹âÏËÑÓ³ÙÏß Â˲¨Æ÷
HSFP 1.6T~12.8T¹âÄ£¿é J599¹âÏ˲åÍ·²å×ù »ªÎª¹âÄ£¿é Extreme¹âÄ£¿é ¹âÏË´«¸ÐÆ÷ ɫɢÅ⳥ģ¿é µûÐμ¤¹âÆ÷
XFP¹âÄ£¿é ODC¹âÏËÅþÁ¬Æ÷ϵÁÐ »ªÎªGE SFP Brocade¹âÄ£¿é High power Component ¹âÏË·Å´óÆ÷ ¹âñîºÏÆ÷&·Ö·Æ÷
CWDM XFP ÆäËûÌØÖÖ¹âÏËÅþÁ¬Æ÷ »ªÎªQSFP+¹âÄ£¿é D-Link¹âÄ£¿é HP In-line Polarizer ÎÞÔ´´«Êäת»»Æ÷ ¹âÏË»·ÐÎÆ÷&·¨À­µÚÐýת¾µ
DWDM XFP Ò°Õ½¹âÏËÅþÁ¬Æ÷ »ªÎªSFP+ ºÕ˼Âü¹âÄ£¿é HP Isolator ¹âÏ˼¤¹âÆ÷ ¹âÏ˸ôÀëÆ÷&²¨·Ö¸´ÓÃÆ÷
BIDI XFP ÌØÖÖ¹âµçÅþÁ¬Æ÷ »ªÎªQSFP28 °¢¶û¿¨ÌØÀÊѶ¹âÄ£¿é HP PBC/S ¹âµ÷ÖÆÆ÷ ¹âÏË·ÖÊøÆ÷&ºÏÊøÆ÷£¨PBS/PBC£©
1x9¹âÄ£¿é J599IIIÆéá«Æµ»ì×°ÅþÁ¬Æ÷ »ªÎªFE SFP Allied Telesis¹âÄ£¿é Pump Combiner ¹âµç̽²âÆ÷ ¹âÏ˹âÕ¤
CSFP¹âÄ£¿é NGC¹âÏËÅþÁ¬Æ÷ »ªÎªXFP Foundry¹âÄ£¿é HP Circulator ¹âÏËÆ«Õñ ¸ßËÙÏßÀÂ
CSFP+10G¹âÄ£¿é J599A6¹âÏËÅþÁ¬Æ÷ »ªÎªSFP OC12 Force10¹âÄ£¿é Pump laser protector ¹âÏËÂ˲¨Æ÷
CXP¹âÄ£¿é GYMB¹âÏËÅþÁ¬Æ÷ »ªÎªGBIC¹âÄ£¿é Blade¹âÄ£¿é Hybrid for EDFA ͬÖἤ¹âÆ÷
CFP¹âÄ£¿é J599III¹âµçÅþÁ¬Æ÷ »ªÎªSFP STM16 Linksys¹âÄ£¿é Test Equipment & Others ͬÖáµçÀÂ

028-85255257 | sales@f-tone.com

±ê׼ЭÒé¹âÄ£¿é²úÆ·

¼æÈÝЭÒé¹âÄ£¿é

ÆäËüÖÖÀà¹âÆ÷¼þ

ÊÖÒÕÖ§³Ö

¡¾ÍøÕ¾µØÍ¼¡¿¡¾sitemap¡¿